Snapper CSC2650 (7800394) - 50" Zero-Turn Mower, 26 HP, Twin Stick, ZTR 150Z Series Transmission Group (7501730) Ersatzteile
Transmission Group (7501730) CSC2650 (7800394) - Snapper 50" Zero-Turn Mower, 26 HP, Twin Stick, ZTR 150Z Series

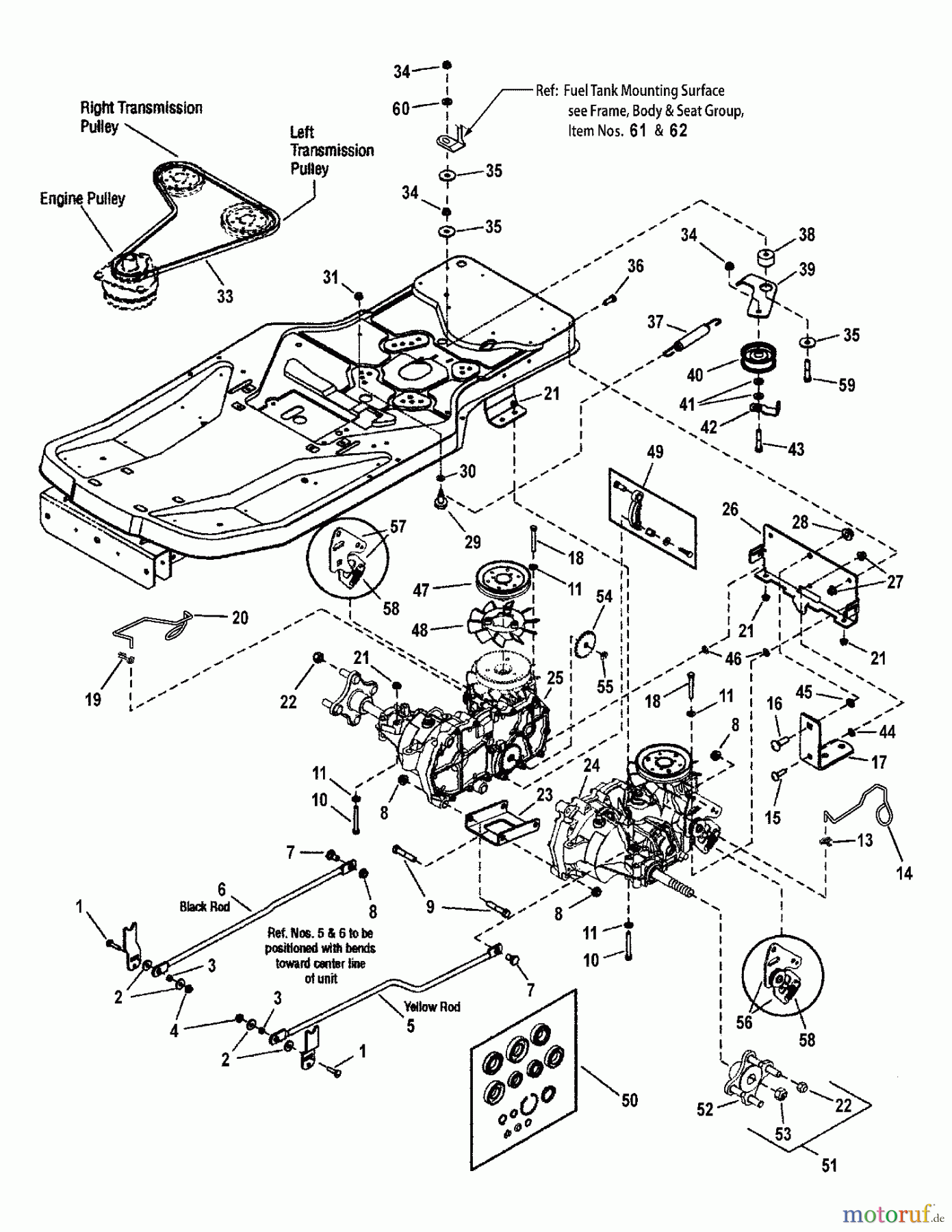
Hier finden Sie die Ersatzteilzeichnung für Snapper Nullwendekreismäher, Zero-Turn CSC2650 (7800394) - Snapper 50" Zero-Turn Mower, 26 HP, Twin Stick, ZTR 150Z Series Transmission Group (7501730). Wählen Sie das benötigte Ersatzteil aus der Ersatzteilliste Ihres Snapper Gerätes aus und bestellen Sie einfach online. Viele Snapper Ersatzteile halten wir ständig in unserem Lager für Sie bereit.




