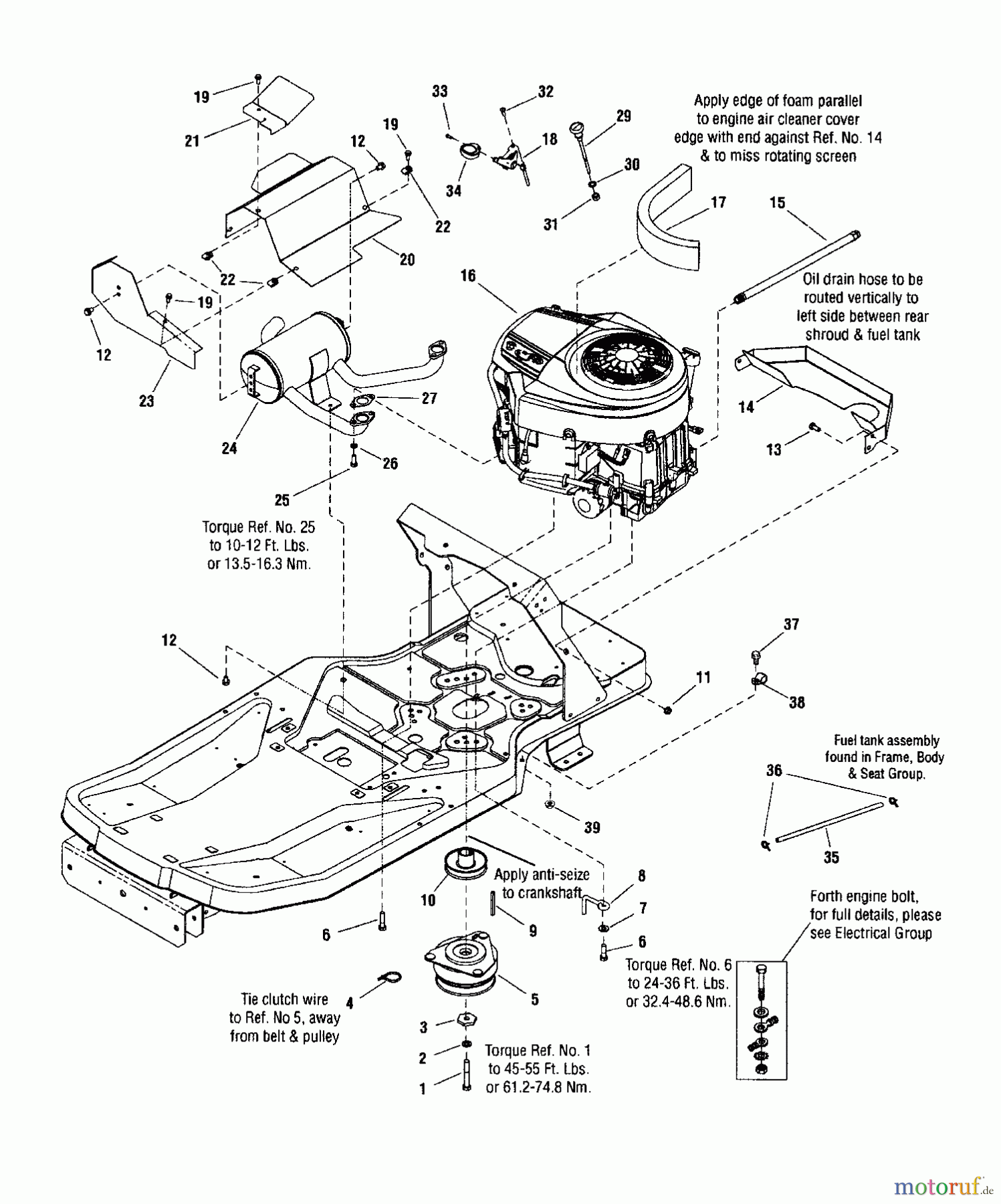
Snapper CSC2650 (7800394) - 50" Zero-Turn Mower, 26 HP, Twin Stick, ZTR 150Z Series Engine Group (26 H.P.) Ersatzteile
Engine Group (26 H.P.) CSC2650 (7800394) - Snapper 50" Zero-Turn Mower, 26 HP, Twin Stick, ZTR 150Z Series

Hier finden Sie die Ersatzteilzeichnung für Snapper Nullwendekreismäher, Zero-Turn CSC2650 (7800394) - Snapper 50" Zero-Turn Mower, 26 HP, Twin Stick, ZTR 150Z Series Engine Group (26 H.P.). Wählen Sie das benötigte Ersatzteil aus der Ersatzteilliste Ihres Snapper Gerätes aus und bestellen Sie einfach online. Viele Snapper Ersatzteile halten wir ständig in unserem Lager für Sie bereit.


Qualitätsmanagement
Informieren Sie uns, wenn Sie einen Fehler gefunden haben.


