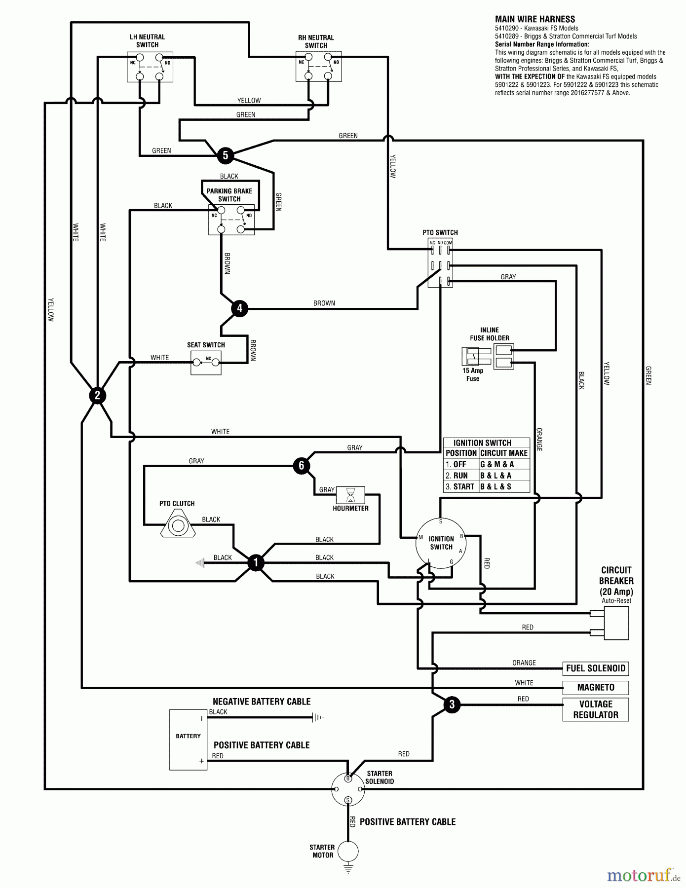
Snapper 550ZKAV2461 (5901251) - 61" Zero-Turn Mower, 24HP ZTR 550Z Series Wiring Schematic - 550Z Series Ersatzteile
Wiring Schematic - 550Z Series 550ZKAV2461 (5901251) - Snapper 61" Zero-Turn Mower, 24HP ZTR 550Z Series

Hier finden Sie die Ersatzteilzeichnung für Snapper Nullwendekreismäher, Zero-Turn 550ZKAV2461 (5901251) - Snapper 61" Zero-Turn Mower, 24HP ZTR 550Z Series Wiring Schematic - 550Z Series. Wählen Sie das benötigte Ersatzteil aus der Ersatzteilliste Ihres Snapper Gerätes aus und bestellen Sie einfach online. Viele Snapper Ersatzteile halten wir ständig in unserem Lager für Sie bereit.
| BildNr | Artikel Nummer | Bezeichnung | |
| 1 | BS5410290YP | WIRE HARNESS | |
| 2 | BS5410289YP | WIRE HARNESS | |


Qualitätsmanagement
Informieren Sie uns, wenn Sie einen Fehler gefunden haben.

