Snapper 550ZB2461 (5901252) - 61" Zero-Turn Mower, 24HP ZTR 550Z Series Engine & PTO Group - Briggs & Stratton Commercial Turf Ersatzteile
Engine & PTO Group - Briggs & Stratton Commercial Turf 550ZB2461 (5901252) - Snapper 61" Zero-Turn Mower, 24HP ZTR 550Z Series

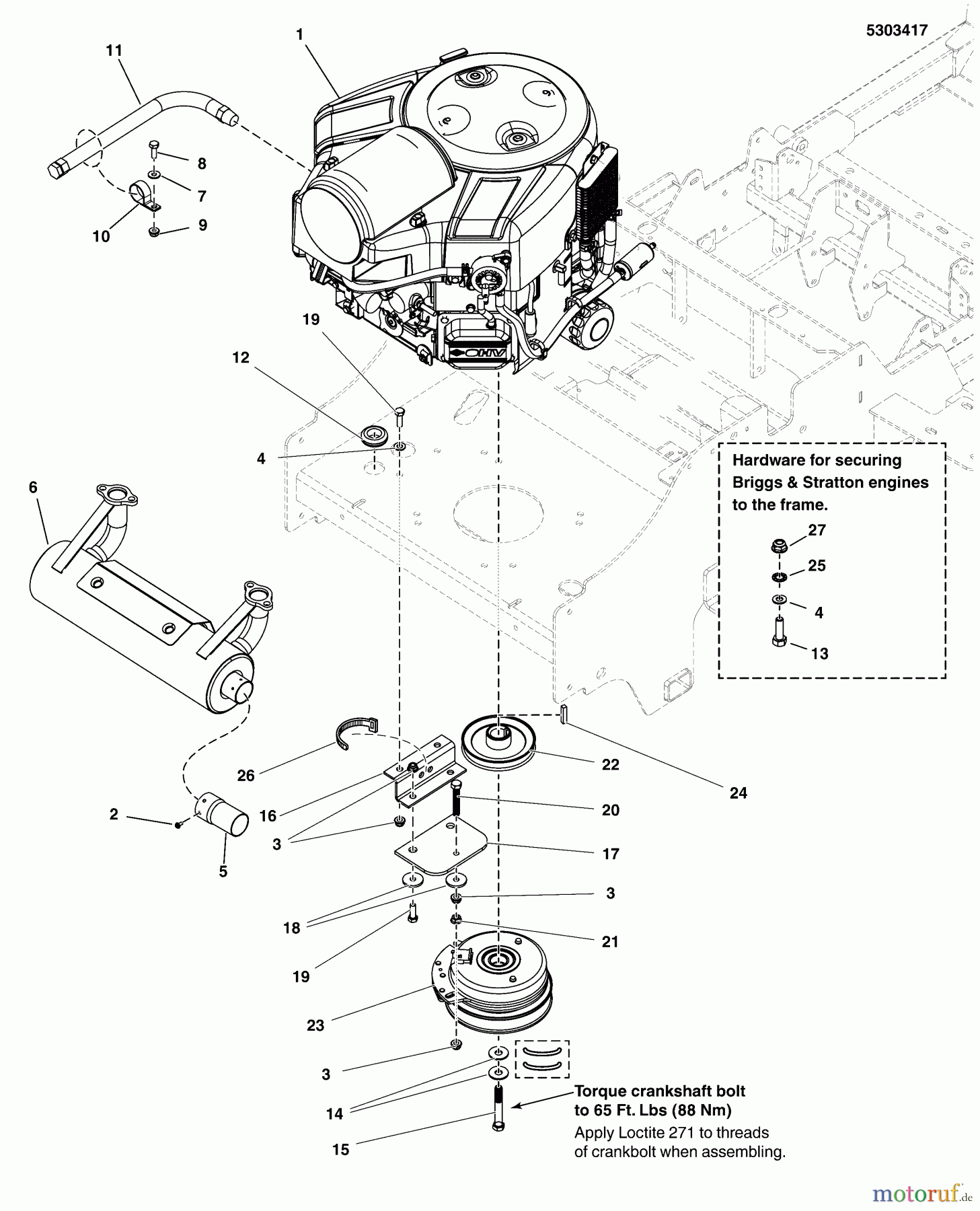
Hier finden Sie die Ersatzteilzeichnung für Snapper Nullwendekreismäher, Zero-Turn 550ZB2461 (5901252) - Snapper 61" Zero-Turn Mower, 24HP ZTR 550Z Series Engine & PTO Group - Briggs & Stratton Commercial Turf. Wählen Sie das benötigte Ersatzteil aus der Ersatzteilliste Ihres Snapper Gerätes aus und bestellen Sie einfach online. Viele Snapper Ersatzteile halten wir ständig in unserem Lager für Sie bereit.


Qualitätsmanagement
 Informieren Sie uns, wenn Sie einen Fehler gefunden haben.

