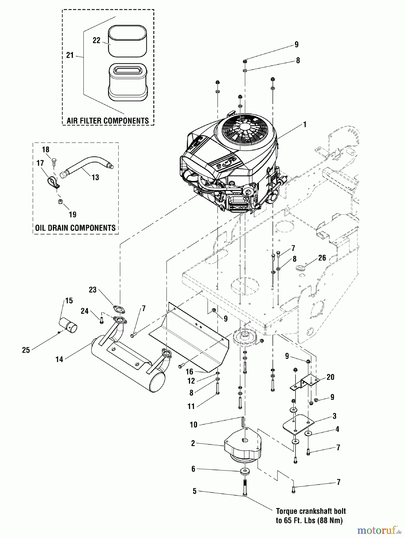
Snapper 400ZB2450 (5900706) - 50" Zero-Turn Mower, 24 HP, ZTR 400Z Series Engine & PTO Group - 24 HP Briggs & Stratton Ersatzteile
Engine & PTO Group - 24 HP Briggs & Stratton 400ZB2450 (5900706) - Snapper 50" Zero-Turn Mower, 24 HP, ZTR 400Z Series

Hier finden Sie die Ersatzteilzeichnung für Snapper Nullwendekreismäher, Zero-Turn 400ZB2450 (5900706) - Snapper 50" Zero-Turn Mower, 24 HP, ZTR 400Z Series Engine & PTO Group - 24 HP Briggs & Stratton. Wählen Sie das benötigte Ersatzteil aus der Ersatzteilliste Ihres Snapper Gerätes aus und bestellen Sie einfach online. Viele Snapper Ersatzteile halten wir ständig in unserem Lager für Sie bereit.


Qualitätsmanagement
Informieren Sie uns, wenn Sie einen Fehler gefunden haben.

