Snapper 365ZB2652CE (5900946) - 52" Zero-Turn Mower, ZTR 365Z Series 52" Mower Deck - Housing, Spindles & Blades Group Ersatzteile
52" Mower Deck - Housing, Spindles & Blades Group 365ZB2652CE (5900946) - Snapper 52" Zero-Turn Mower, ZTR 365Z Series

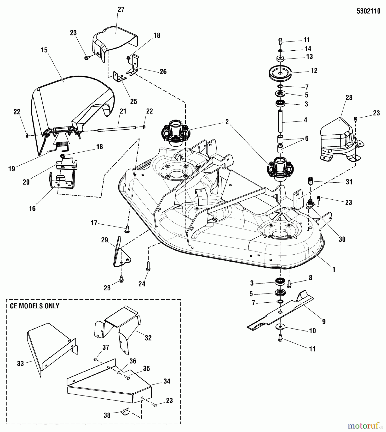
Hier finden Sie die Ersatzteilzeichnung für Snapper Nullwendekreismäher, Zero-Turn 365ZB2652CE (5900946) - Snapper 52" Zero-Turn Mower, ZTR 365Z Series 52" Mower Deck - Housing, Spindles & Blades Group. Wählen Sie das benötigte Ersatzteil aus der Ersatzteilliste Ihres Snapper Gerätes aus und bestellen Sie einfach online. Viele Snapper Ersatzteile halten wir ständig in unserem Lager für Sie bereit.


Qualitätsmanagement
Informieren Sie uns, wenn Sie einen Fehler gefunden haben.




