Snapper 360ZB2450CE (5900760) - 50" Zero-Turn Mower, ZTR 360Z Series Wiring Schematic - S/N: 2014726546 & Below Ersatzteile
Wiring Schematic - S/N: 2014726546 & Below 360ZB2450CE (5900760) - Snapper 50" Zero-Turn Mower, ZTR 360Z Series

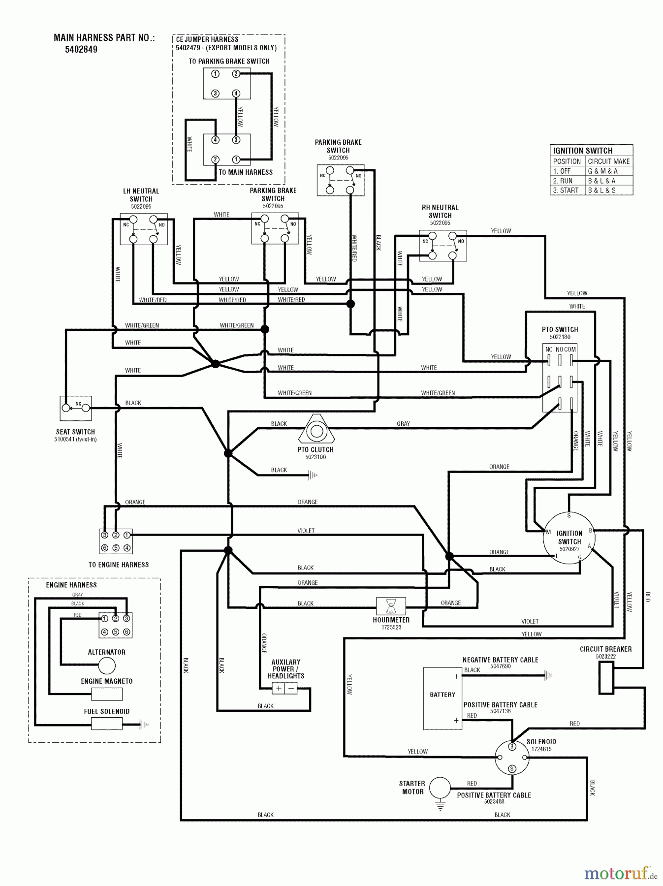
Hier finden Sie die Ersatzteilzeichnung für Snapper Nullwendekreismäher, Zero-Turn 360ZB2450CE (5900760) - Snapper 50" Zero-Turn Mower, ZTR 360Z Series Wiring Schematic - S/N: 2014726546 & Below. Wählen Sie das benötigte Ersatzteil aus der Ersatzteilliste Ihres Snapper Gerätes aus und bestellen Sie einfach online. Viele Snapper Ersatzteile halten wir ständig in unserem Lager für Sie bereit.
| BildNr | Artikel Nummer | Bezeichnung | |
| 1 | BS | Eingangswelle UE 600 | |
| 2 | BS | Eingangswelle UE 600 | |


Qualitätsmanagement
Informieren Sie uns, wenn Sie einen Fehler gefunden haben.

