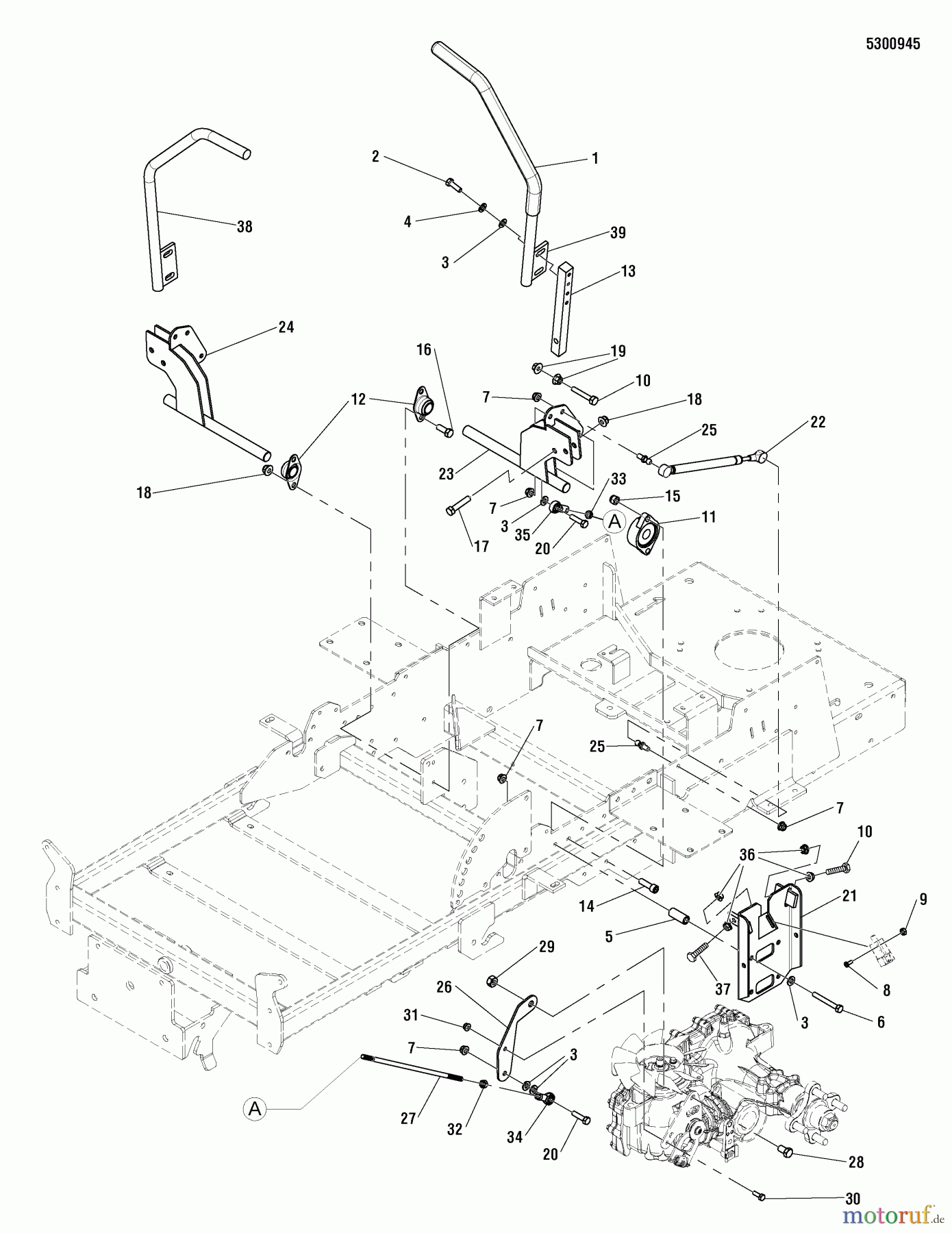
Snapper 355ZB2654, DLR (5900768) - 54" Zero-Turn Mower, 26 HP, ZTR 355 Rear-Engine Riders Series Motion Control Group Ersatzteile
Motion Control Group 355ZB2654, DLR (5900768) - Snapper 54" Zero-Turn Mower, 26 HP, ZTR 355 Rear-Engine Riders Series

Hier finden Sie die Ersatzteilzeichnung für Snapper Nullwendekreismäher, Zero-Turn 355ZB2654, DLR (5900768) - Snapper 54" Zero-Turn Mower, 26 HP, ZTR 355 Rear-Engine Riders Series Motion Control Group. Wählen Sie das benötigte Ersatzteil aus der Ersatzteilliste Ihres Snapper Gerätes aus und bestellen Sie einfach online. Viele Snapper Ersatzteile halten wir ständig in unserem Lager für Sie bereit.



