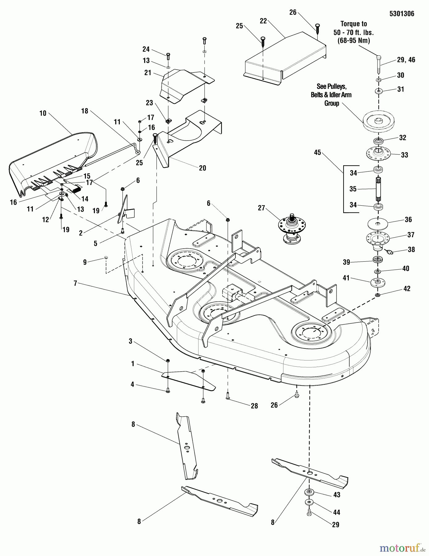
Snapper 355ZB2654 (5900748) - 54" Zero-Turn Mower, 26 HP, ZTR 355Z Rear-Engine Riders Series 54" Mower Deck - Housing, Cover & Spindles Group Ersatzteile
54" Mower Deck - Housing, Cover & Spindles Group 355ZB2654 (5900748) - Snapper 54" Zero-Turn Mower, 26 HP, ZTR 355Z Rear-Engine Riders Series

Hier finden Sie die Ersatzteilzeichnung für Snapper Nullwendekreismäher, Zero-Turn 355ZB2654 (5900748) - Snapper 54" Zero-Turn Mower, 26 HP, ZTR 355Z Rear-Engine Riders Series 54" Mower Deck - Housing, Cover & Spindles Group. Wählen Sie das benötigte Ersatzteil aus der Ersatzteilliste Ihres Snapper Gerätes aus und bestellen Sie einfach online. Viele Snapper Ersatzteile halten wir ständig in unserem Lager für Sie bereit.


Qualitätsmanagement
Informieren Sie uns, wenn Sie einen Fehler gefunden haben.




