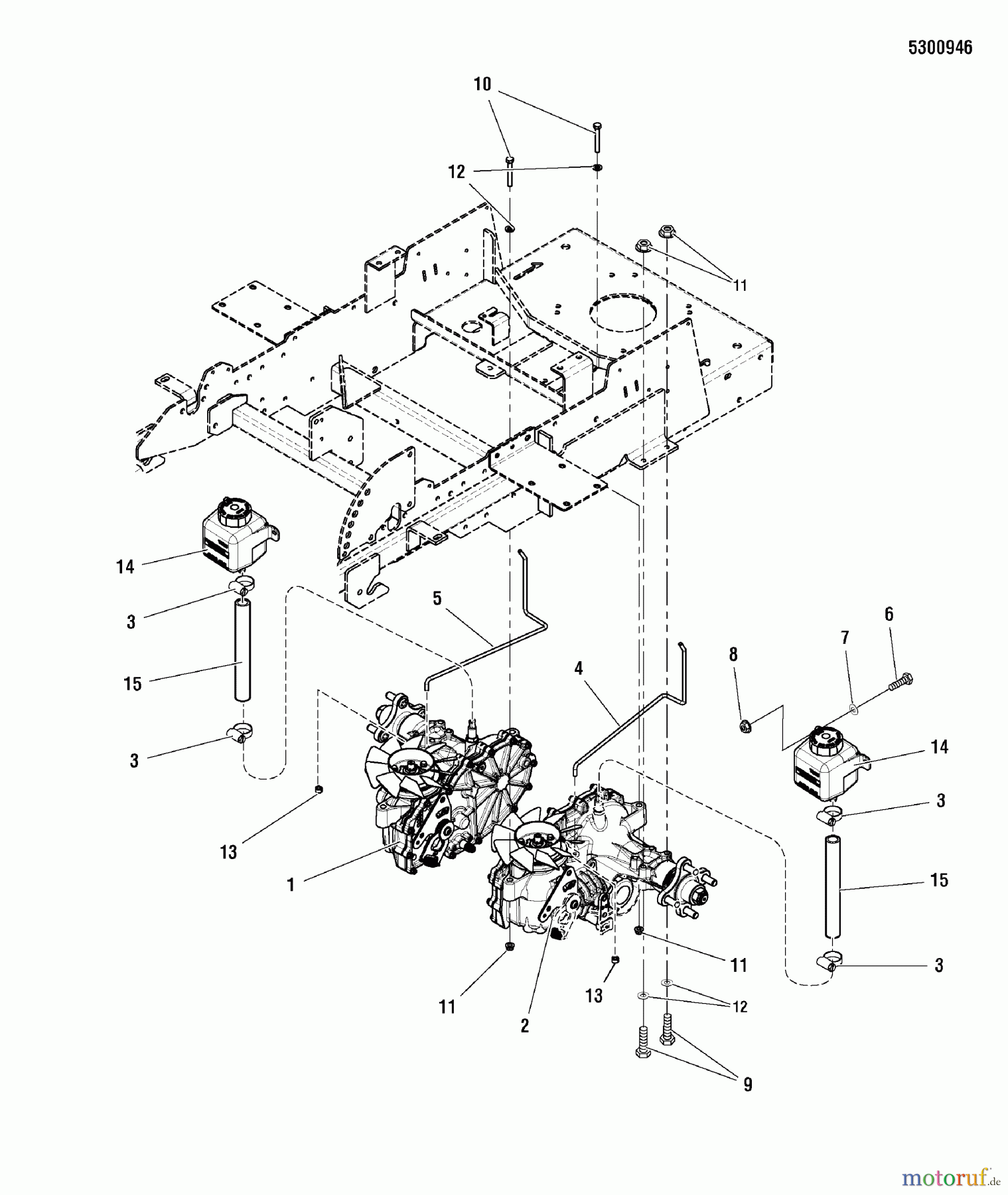
Snapper 355ZB2446 (5900775) - 46" Zero-Turn Mower, ZTR 355Z Series Hydraulic Group Ersatzteile
Hydraulic Group 355ZB2446 (5900775) - Snapper 46" Zero-Turn Mower, ZTR 355Z Series

Hier finden Sie die Ersatzteilzeichnung für Snapper Nullwendekreismäher, Zero-Turn 355ZB2446 (5900775) - Snapper 46" Zero-Turn Mower, ZTR 355Z Series Hydraulic Group. Wählen Sie das benötigte Ersatzteil aus der Ersatzteilliste Ihres Snapper Gerätes aus und bestellen Sie einfach online. Viele Snapper Ersatzteile halten wir ständig in unserem Lager für Sie bereit.


Qualitätsmanagement
Informieren Sie uns, wenn Sie einen Fehler gefunden haben.

