Snapper 355ZB2444 (5900681) - 44" Zero-Turn Mower, ZTR 355Z Series Motion Control Group Ersatzteile
Motion Control Group 355ZB2444 (5900681) - Snapper 44" Zero-Turn Mower, ZTR 355Z Series

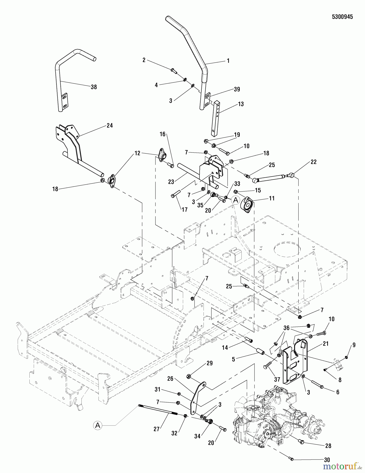
Hier finden Sie die Ersatzteilzeichnung für Snapper Nullwendekreismäher, Zero-Turn 355ZB2444 (5900681) - Snapper 44" Zero-Turn Mower, ZTR 355Z Series Motion Control Group. Wählen Sie das benötigte Ersatzteil aus der Ersatzteilliste Ihres Snapper Gerätes aus und bestellen Sie einfach online. Viele Snapper Ersatzteile halten wir ständig in unserem Lager für Sie bereit.


Qualitätsmanagement
Informieren Sie uns, wenn Sie einen Fehler gefunden haben.

