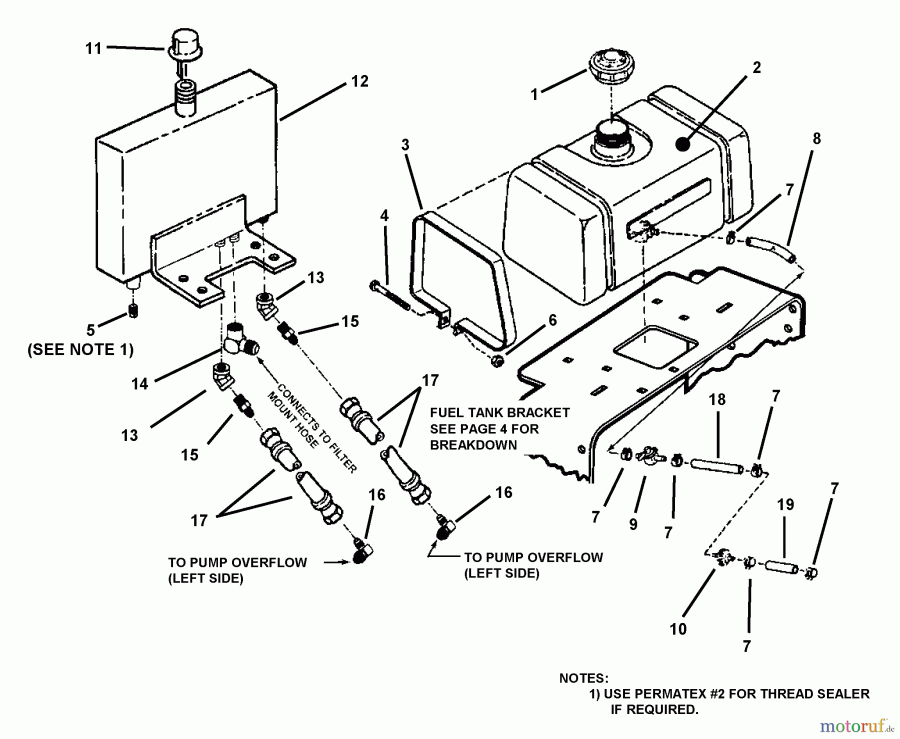
Snapper SPLH180KHE (80901) - Wide-Area Walk-Behind Mower, 18 HP, Hydro Drive, Loop Handle, Series 0 Fuel Tank Assembly Ersatzteile
Fuel Tank Assembly SPLH180KHE (80901) - Snapper Wide-Area Walk-Behind Mower, 18 HP, Hydro Drive, Loop Handle, Series 0

Hier finden Sie die Ersatzteilzeichnung für Snapper Rasenmäher für Großflächen SPLH180KHE (80901) - Snapper Wide-Area Walk-Behind Mower, 18 HP, Hydro Drive, Loop Handle, Series 0 Fuel Tank Assembly. Wählen Sie das benötigte Ersatzteil aus der Ersatzteilliste Ihres Snapper Gerätes aus und bestellen Sie einfach online. Viele Snapper Ersatzteile halten wir ständig in unserem Lager für Sie bereit.


Qualitätsmanagement
Informieren Sie uns, wenn Sie einen Fehler gefunden haben.

