Snapper HC32KAV13E (5901182) - 32" Wide-Area Walk-Behind Mower, 13 HP, Hydro Drive (S/N: 2000856282 & Above) Electrical Schematic - Electric Start Ersatzteile
Electrical Schematic - Electric Start HC32KAV13E (5901182) - Snapper 32" Wide-Area Walk-Behind Mower, 13 HP, Hydro Drive (S/N: 2000856282 & Above)

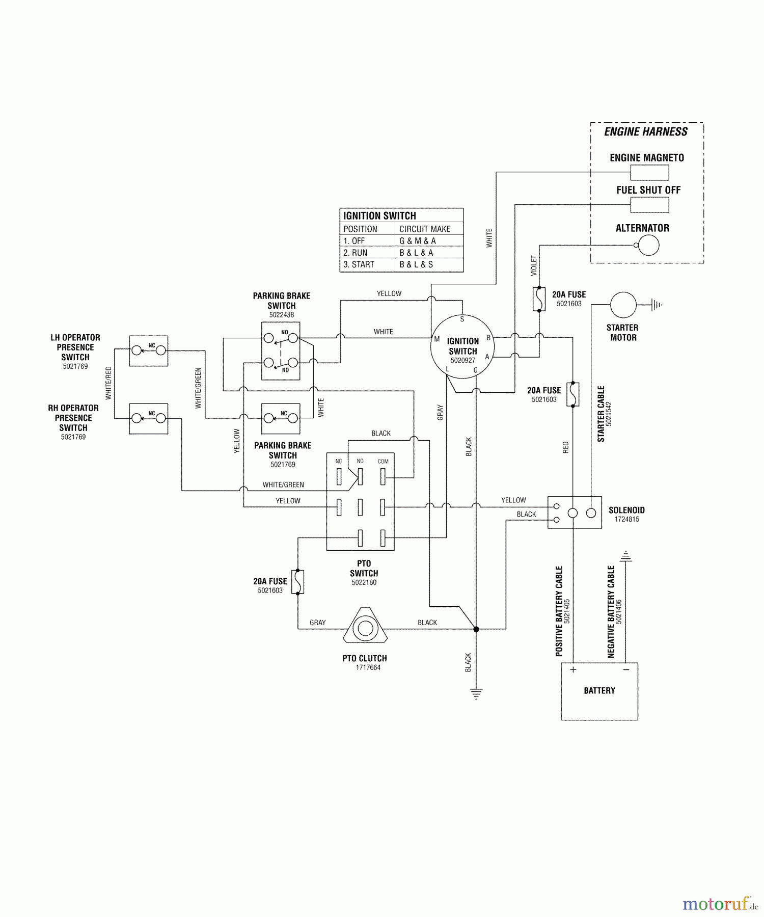
Hier finden Sie die Ersatzteilzeichnung für Snapper Rasenmäher für Großflächen HC32KAV13E (5901182) - Snapper 32" Wide-Area Walk-Behind Mower, 13 HP, Hydro Drive (S/N: 2000856282 & Above) Electrical Schematic - Electric Start. Wählen Sie das benötigte Ersatzteil aus der Ersatzteilliste Ihres Snapper Gerätes aus und bestellen Sie einfach online. Viele Snapper Ersatzteile halten wir ständig in unserem Lager für Sie bereit.


Qualitätsmanagement
Informieren Sie uns, wenn Sie einen Fehler gefunden haben.

