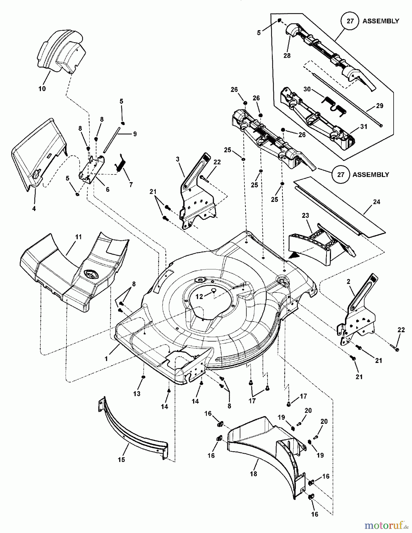
Snapper SPXV22725 (7800832) - 22" Walk-Behind Mower, 7.25 HP, 3N1 Self-Propelled Manual Start Mower Deck Group Ersatzteile
Mower Deck Group SPXV22725 (7800832) - Snapper 22" Walk-Behind Mower, 7.25 HP, 3N1 Self-Propelled Manual Start

Hier finden Sie die Ersatzteilzeichnung für Snapper Rasenmäher SPXV22725 (7800832) - Snapper 22" Walk-Behind Mower, 7.25 HP, 3N1 Self-Propelled Manual Start Mower Deck Group. Wählen Sie das benötigte Ersatzteil aus der Ersatzteilliste Ihres Snapper Gerätes aus und bestellen Sie einfach online. Viele Snapper Ersatzteile halten wir ständig in unserem Lager für Sie bereit.


Qualitätsmanagement
Informieren Sie uns, wenn Sie einen Fehler gefunden haben.

