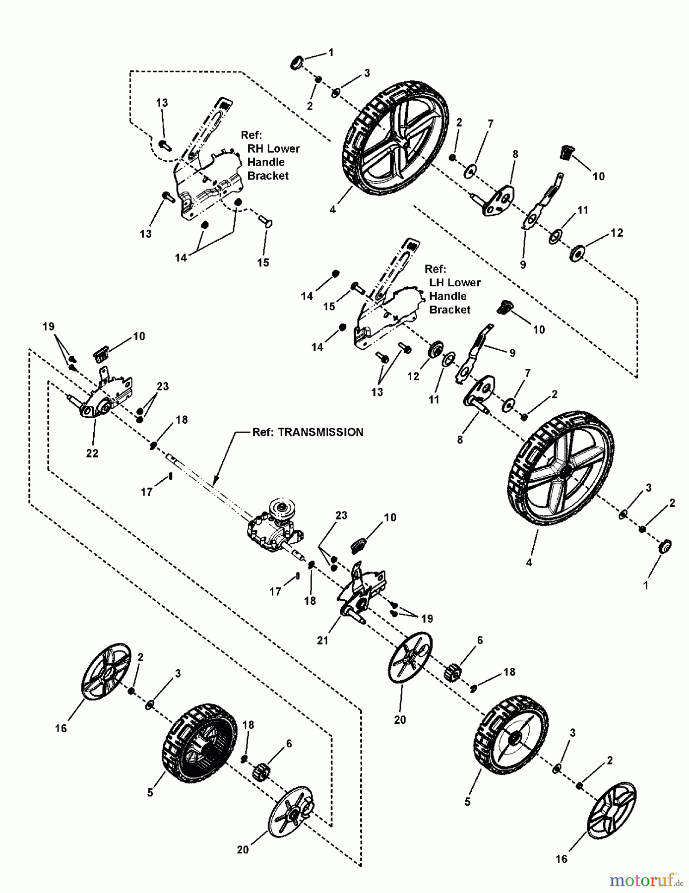
Snapper SPXV2270HW (7800776) - 22" Walk-Behind Mower, 7.0 HP, 3N1 Self-Propelled High Wheel Wheels Group Ersatzteile
Wheels Group SPXV2270HW (7800776) - Snapper 22" Walk-Behind Mower, 7.0 HP, 3N1 Self-Propelled High Wheel

Hier finden Sie die Ersatzteilzeichnung für Snapper Rasenmäher SPXV2270HW (7800776) - Snapper 22" Walk-Behind Mower, 7.0 HP, 3N1 Self-Propelled High Wheel Wheels Group. Wählen Sie das benötigte Ersatzteil aus der Ersatzteilliste Ihres Snapper Gerätes aus und bestellen Sie einfach online. Viele Snapper Ersatzteile halten wir ständig in unserem Lager für Sie bereit.


Qualitätsmanagement
Informieren Sie uns, wenn Sie einen Fehler gefunden haben.


