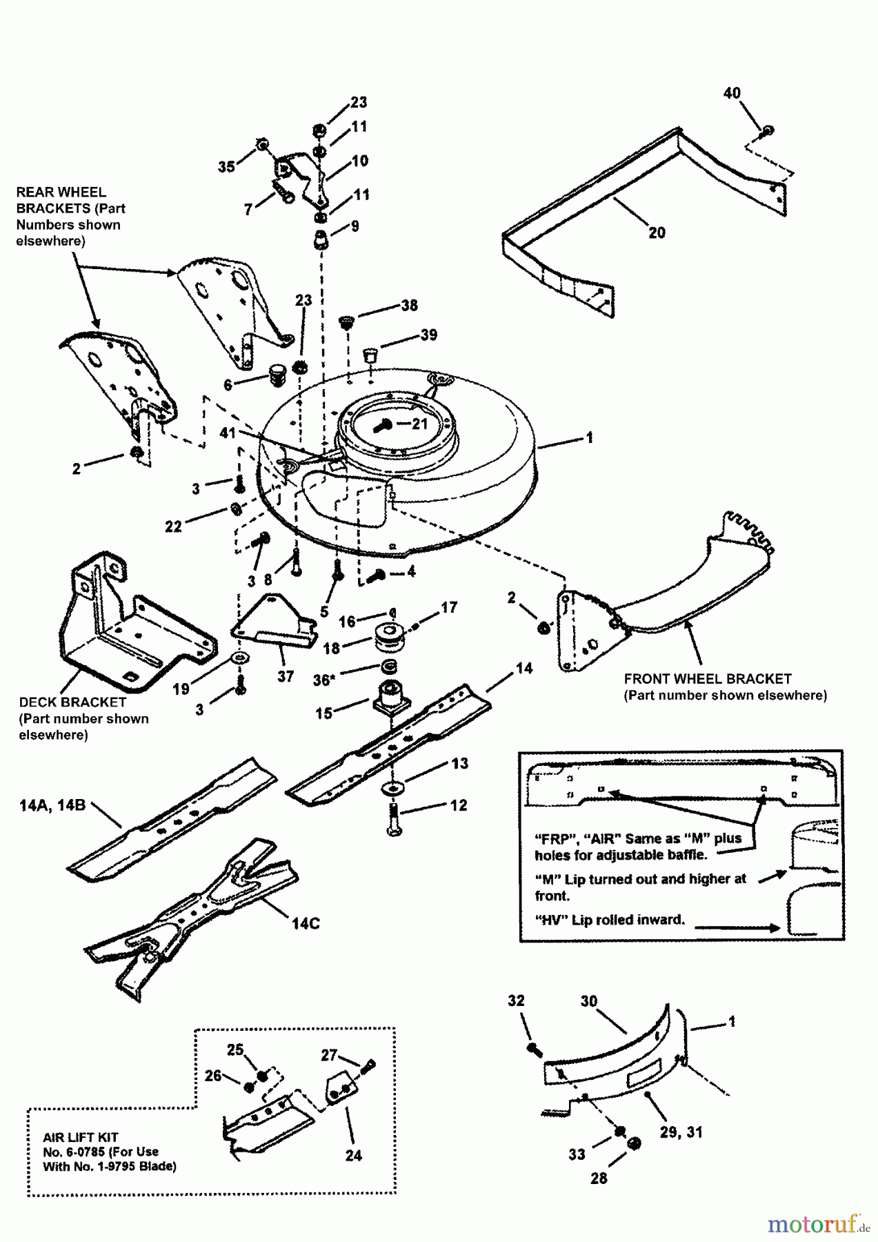
Snapper RP2167517BVE (84865) - 21" Walk-Behind Mower, 6.75 HP, Steel Deck, Recycling, Series 17 CUTTING DECK, BLADES Ersatzteile
CUTTING DECK, BLADES RP2167517BVE (84865) - Snapper 21" Walk-Behind Mower, 6.75 HP, Steel Deck, Recycling, Series 17

Hier finden Sie die Ersatzteilzeichnung für Snapper Rasenmäher RP2167517BVE (84865) - Snapper 21" Walk-Behind Mower, 6.75 HP, Steel Deck, Recycling, Series 17 CUTTING DECK, BLADES. Wählen Sie das benötigte Ersatzteil aus der Ersatzteilliste Ihres Snapper Gerätes aus und bestellen Sie einfach online. Viele Snapper Ersatzteile halten wir ständig in unserem Lager für Sie bereit.


Qualitätsmanagement
Informieren Sie uns, wenn Sie einen Fehler gefunden haben.


