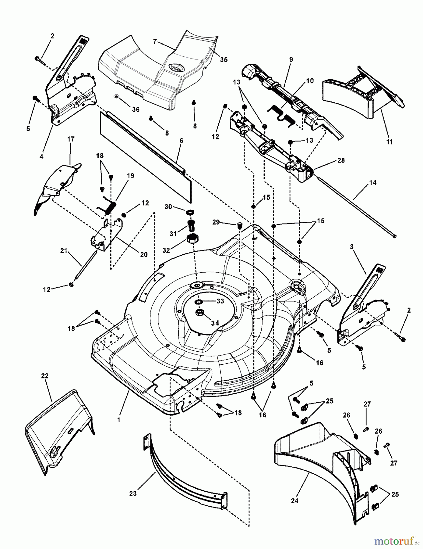
Snapper NSPV2270HW (7800755) - 22" Walk-Behind Mower, 7.0 HP, Variable Speed High Wheel Mower Deck Group Ersatzteile
Mower Deck Group NSPV2270HW (7800755) - Snapper 22" Walk-Behind Mower, 7.0 HP, Variable Speed High Wheel

Hier finden Sie die Ersatzteilzeichnung für Snapper Rasenmäher NSPV2270HW (7800755) - Snapper 22" Walk-Behind Mower, 7.0 HP, Variable Speed High Wheel Mower Deck Group. Wählen Sie das benötigte Ersatzteil aus der Ersatzteilliste Ihres Snapper Gerätes aus und bestellen Sie einfach online. Viele Snapper Ersatzteile halten wir ständig in unserem Lager für Sie bereit.



