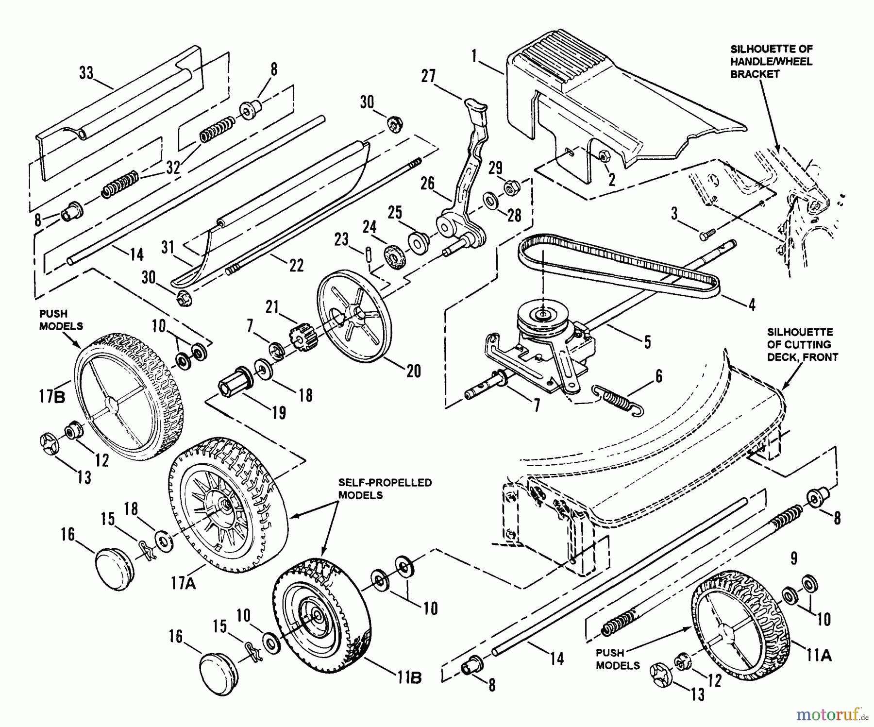
Snapper NR20500 - 20" Walk-Behind Mower, 5 HP, Series 0 Wheels, Guards, Axle, Transmission Ersatzteile
Wheels, Guards, Axle, Transmission NR20500 - Snapper 20" Walk-Behind Mower, 5 HP, Series 0

Hier finden Sie die Ersatzteilzeichnung für Snapper Rasenmäher NR20500 - Snapper 20" Walk-Behind Mower, 5 HP, Series 0 Wheels, Guards, Axle, Transmission. Wählen Sie das benötigte Ersatzteil aus der Ersatzteilliste Ihres Snapper Gerätes aus und bestellen Sie einfach online. Viele Snapper Ersatzteile halten wir ständig in unserem Lager für Sie bereit.


Qualitätsmanagement
Informieren Sie uns, wenn Sie einen Fehler gefunden haben.


