Snapper CP218520 (7800772) - 21" Walk-Behind Mower, 8.75 HP, Steel Deck Commercial Series 20 Engine, Deck & Blade Group Ersatzteile
Engine, Deck & Blade Group CP218520 (7800772) - Snapper 21" Walk-Behind Mower, 8.75 HP, Steel Deck Commercial Series 20

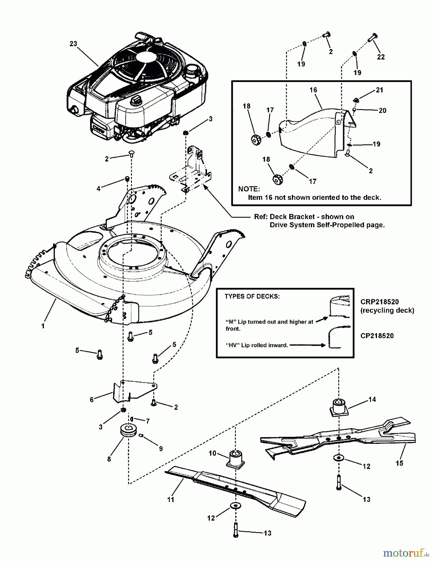
Hier finden Sie die Ersatzteilzeichnung für Snapper Rasenmäher CP218520 (7800772) - Snapper 21" Walk-Behind Mower, 8.75 HP, Steel Deck Commercial Series 20 Engine, Deck & Blade Group. Wählen Sie das benötigte Ersatzteil aus der Ersatzteilliste Ihres Snapper Gerätes aus und bestellen Sie einfach online. Viele Snapper Ersatzteile halten wir ständig in unserem Lager für Sie bereit.


Qualitätsmanagement
Informieren Sie uns, wenn Sie einen Fehler gefunden haben.



