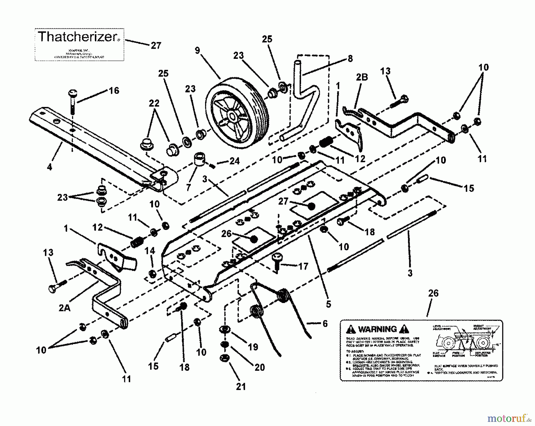
Snapper CP21506R - 21" Walk-Behind Mower, 5 HP, Steel Deck, BBC Series 6 Thatcherizer Ersatzteile
Thatcherizer CP21506R - Snapper 21" Walk-Behind Mower, 5 HP, Steel Deck, BBC Series 6

Hier finden Sie die Ersatzteilzeichnung für Snapper Rasenmäher CP21506R - Snapper 21" Walk-Behind Mower, 5 HP, Steel Deck, BBC Series 6 Thatcherizer. Wählen Sie das benötigte Ersatzteil aus der Ersatzteilliste Ihres Snapper Gerätes aus und bestellen Sie einfach online. Viele Snapper Ersatzteile halten wir ständig in unserem Lager für Sie bereit.


Qualitätsmanagement
Informieren Sie uns, wenn Sie einen Fehler gefunden haben.

