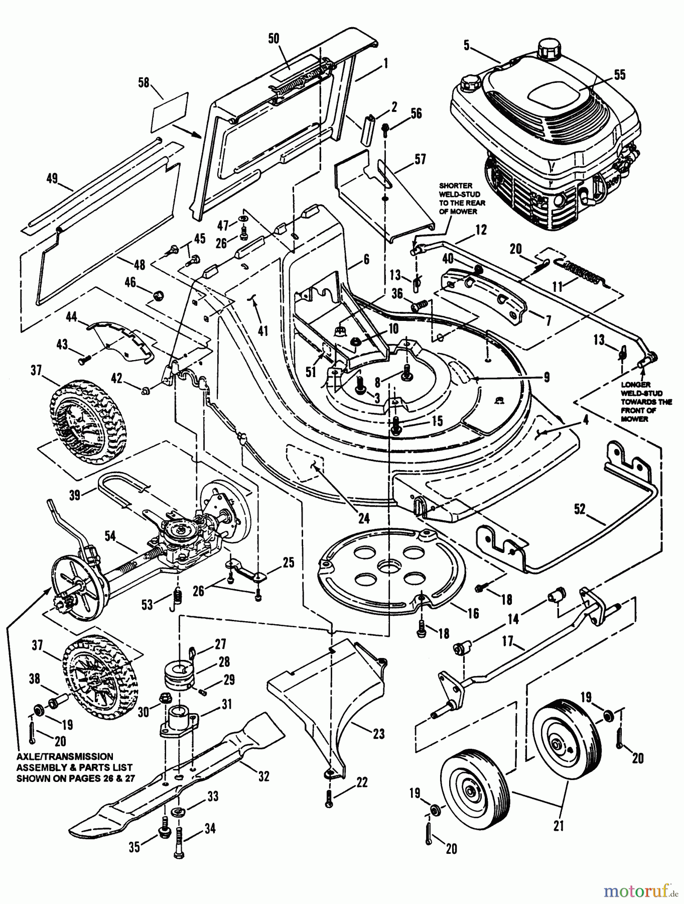
Snapper CLP21650RV - 21" Walk-Behind Mowers Commercial Rear Discharge, Series 0 21" Deck Assembly Ersatzteile
21" Deck Assembly CLP21650RV - Snapper 21" Walk-Behind Mowers Commercial Rear Discharge, Series 0

Hier finden Sie die Ersatzteilzeichnung für Snapper Rasenmäher CLP21650RV - Snapper 21" Walk-Behind Mowers Commercial Rear Discharge, Series 0 21" Deck Assembly. Wählen Sie das benötigte Ersatzteil aus der Ersatzteilliste Ihres Snapper Gerätes aus und bestellen Sie einfach online. Viele Snapper Ersatzteile halten wir ständig in unserem Lager für Sie bereit.





