Snapper AP21507B - 21" Walk-Behind Mower, 5 HP, Cast Deck, Side Discharge, Series 7 Thatcherizer Ersatzteile
Thatcherizer AP21507B - Snapper 21" Walk-Behind Mower, 5 HP, Cast Deck, Side Discharge, Series 7

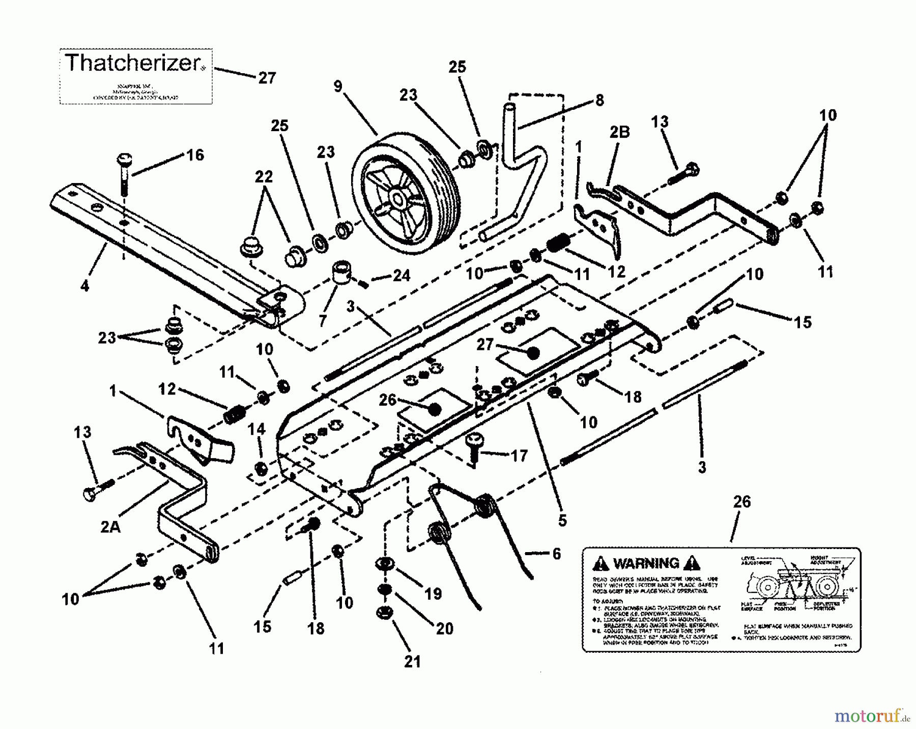
Hier finden Sie die Ersatzteilzeichnung für Snapper Rasenmäher AP21507B - Snapper 21" Walk-Behind Mower, 5 HP, Cast Deck, Side Discharge, Series 7 Thatcherizer. Wählen Sie das benötigte Ersatzteil aus der Ersatzteilliste Ihres Snapper Gerätes aus und bestellen Sie einfach online. Viele Snapper Ersatzteile halten wir ständig in unserem Lager für Sie bereit.


Qualitätsmanagement
Informieren Sie uns, wenn Sie einen Fehler gefunden haben.

