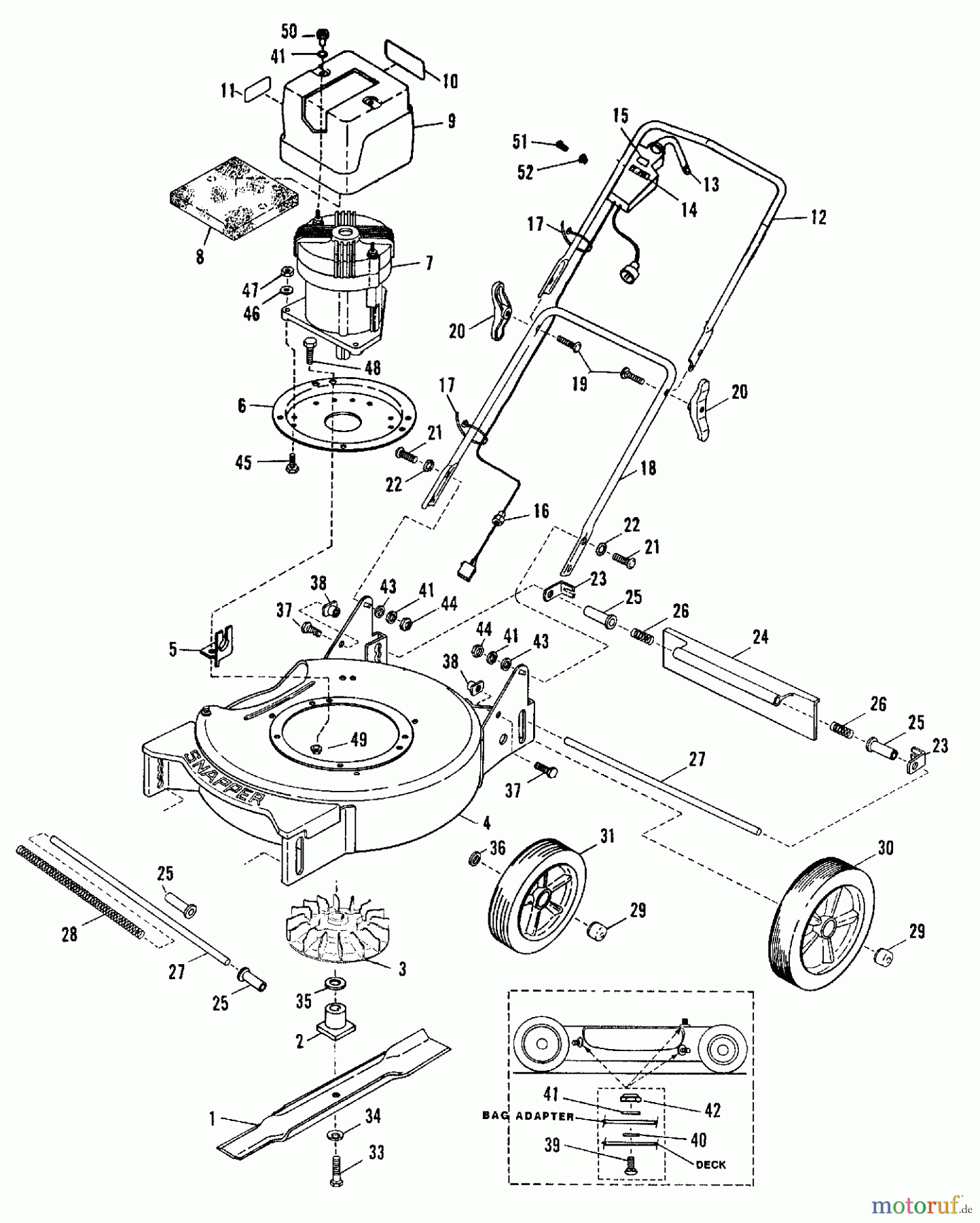
Snapper 19E01 (82446) - 19" Walk-Behind Mower, 3 HP, 110 Steel Deck, Series 1 HANDLES, DECK, MOTOR, & WHEELS Ersatzteile
HANDLES, DECK, MOTOR, & WHEELS 19E01 (82446) - Snapper 19" Walk-Behind Mower, 3 HP, 110 Steel Deck, Series 1

Hier finden Sie die Ersatzteilzeichnung für Snapper Rasenmäher 19E01 (82446) - Snapper 19" Walk-Behind Mower, 3 HP, 110 Steel Deck, Series 1 HANDLES, DECK, MOTOR, & WHEELS. Wählen Sie das benötigte Ersatzteil aus der Ersatzteilliste Ihres Snapper Gerätes aus und bestellen Sie einfach online. Viele Snapper Ersatzteile halten wir ständig in unserem Lager für Sie bereit.


Qualitätsmanagement
Informieren Sie uns, wenn Sie einen Fehler gefunden haben.

