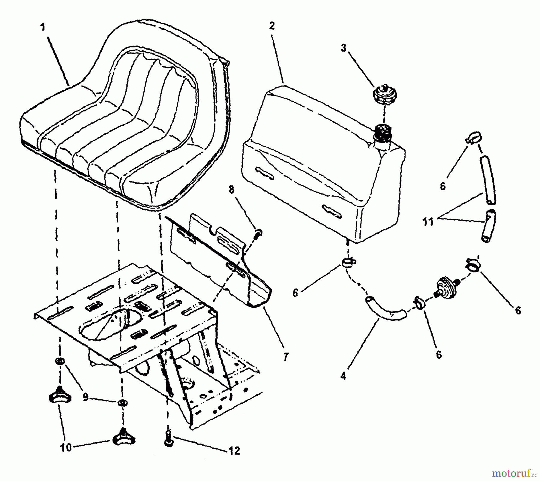
Snapper WM301021BE (84661) - 30" Rear-Engine Rider, 10 HP, M Series 21 Fuel Tank & Operators Seat Ersatzteile
Fuel Tank & Operators Seat WM301021BE (84661) - Snapper 30" Rear-Engine Rider, 10 HP, M Series 21

Hier finden Sie die Ersatzteilzeichnung für Snapper Reitermäher WM301021BE (84661) - Snapper 30" Rear-Engine Rider, 10 HP, M Series 21 Fuel Tank & Operators Seat. Wählen Sie das benötigte Ersatzteil aus der Ersatzteilliste Ihres Snapper Gerätes aus und bestellen Sie einfach online. Viele Snapper Ersatzteile halten wir ständig in unserem Lager für Sie bereit.


Qualitätsmanagement
Informieren Sie uns, wenn Sie einen Fehler gefunden haben.

