Snapper WM280921B (84660) - 28" Rear-Engine Rider, 9 HP, M Series 21 Smooth Clutch Assembly Ersatzteile
Smooth Clutch Assembly WM280921B (84660) - Snapper 28" Rear-Engine Rider, 9 HP, M Series 21

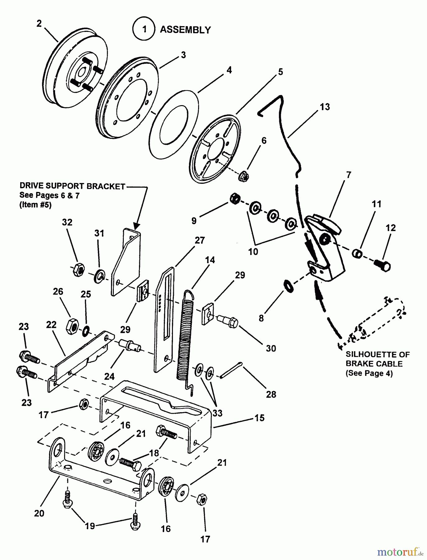
Hier finden Sie die Ersatzteilzeichnung für Snapper Reitermäher WM280921B (84660) - Snapper 28" Rear-Engine Rider, 9 HP, M Series 21 Smooth Clutch Assembly. Wählen Sie das benötigte Ersatzteil aus der Ersatzteilliste Ihres Snapper Gerätes aus und bestellen Sie einfach online. Viele Snapper Ersatzteile halten wir ständig in unserem Lager für Sie bereit.


Qualitätsmanagement
Informieren Sie uns, wenn Sie einen Fehler gefunden haben.




