Snapper M250819BE - 25" Rear-Engine Rider, 8 HP, M Series 19 Smooth Clutch Assembly (Series 19) Ersatzteile
Smooth Clutch Assembly (Series 19) M250819BE - Snapper 25" Rear-Engine Rider, 8 HP, M Series 19

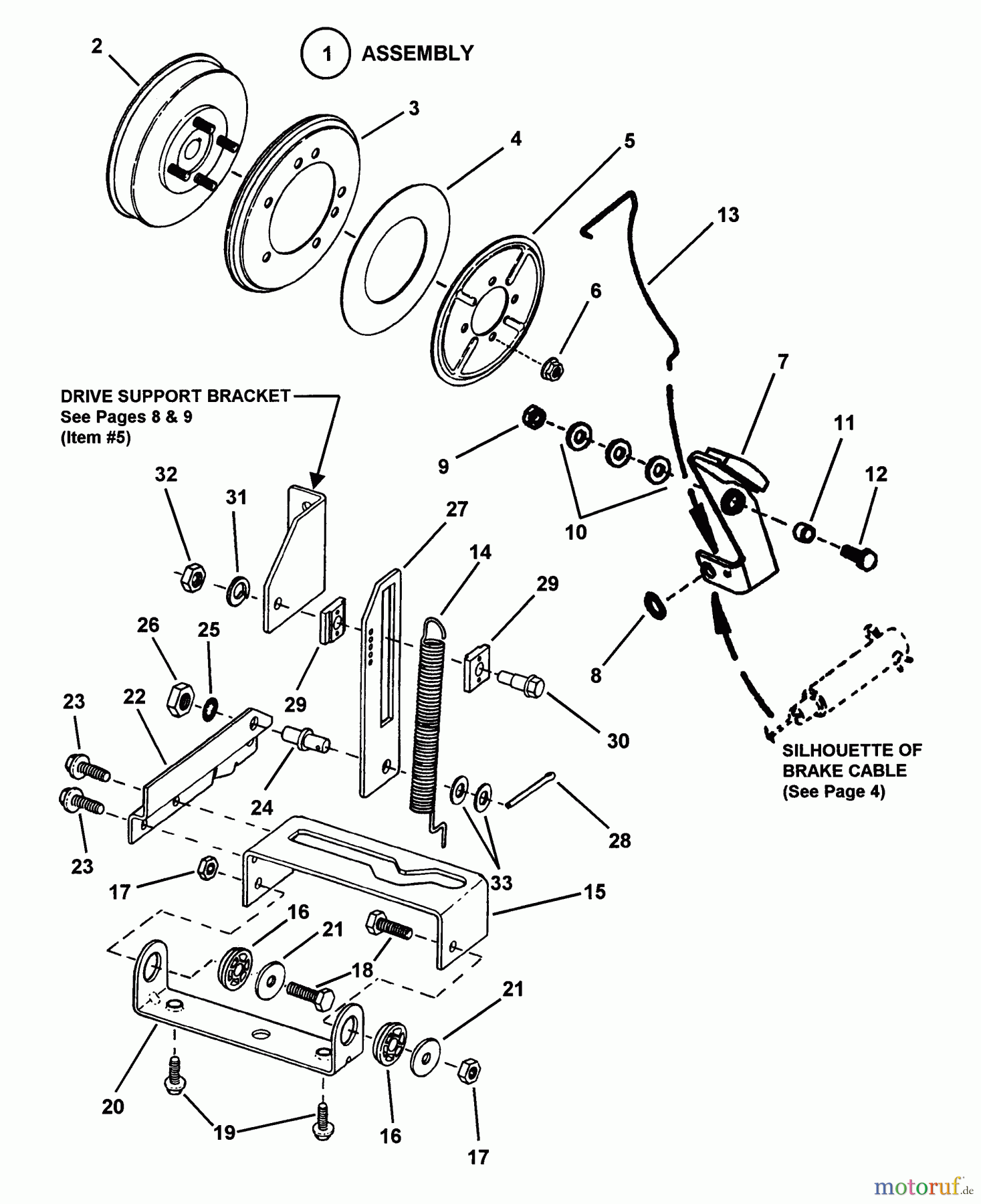
Hier finden Sie die Ersatzteilzeichnung für Snapper Reitermäher M250819BE - Snapper 25" Rear-Engine Rider, 8 HP, M Series 19 Smooth Clutch Assembly (Series 19). Wählen Sie das benötigte Ersatzteil aus der Ersatzteilliste Ihres Snapper Gerätes aus und bestellen Sie einfach online. Viele Snapper Ersatzteile halten wir ständig in unserem Lager für Sie bereit.


Qualitätsmanagement
Informieren Sie uns, wenn Sie einen Fehler gefunden haben.




