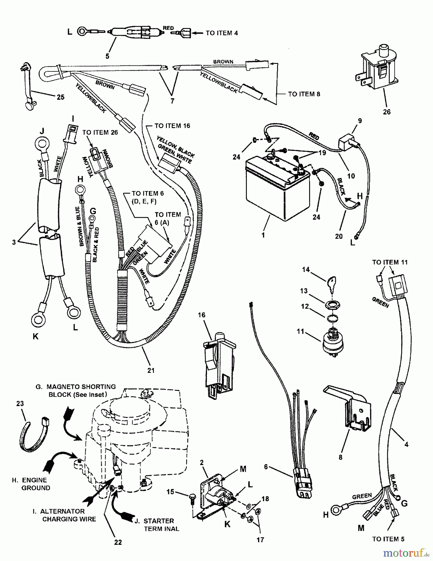
Snapper C3012523BVE (7800366) - 30" Rear-Engine Rider, 12.5 HP, Series 23, California ELECTRICAL SYSTEMS (For 12.5 HP Briggs) Ersatzteile
ELECTRICAL SYSTEMS (For 12.5 HP Briggs) C3012523BVE (7800366) - Snapper 30" Rear-Engine Rider, 12.5 HP, Series 23, California

Hier finden Sie die Ersatzteilzeichnung für Snapper Reitermäher C3012523BVE (7800366) - Snapper 30" Rear-Engine Rider, 12.5 HP, Series 23, California ELECTRICAL SYSTEMS (For 12.5 HP Briggs). Wählen Sie das benötigte Ersatzteil aus der Ersatzteilliste Ihres Snapper Gerätes aus und bestellen Sie einfach online. Viele Snapper Ersatzteile halten wir ständig in unserem Lager für Sie bereit.


Qualitätsmanagement
Informieren Sie uns, wenn Sie einen Fehler gefunden haben.


