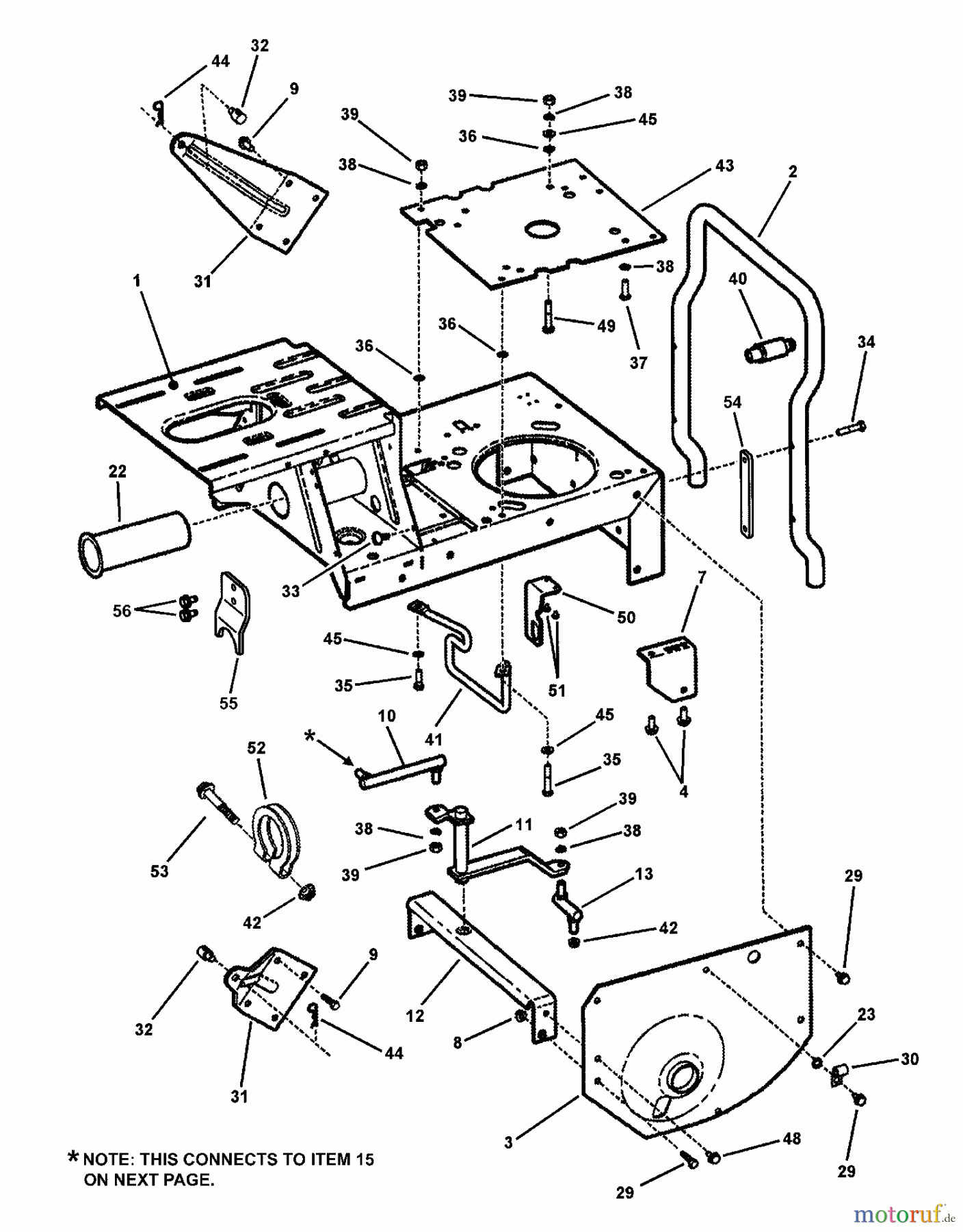
Snapper 421823BVE (84880) - 42" Rear-Engine Rider, 18 HP, Series 23 MAIN CASE PT.1 Ersatzteile
MAIN CASE PT.1 421823BVE (84880) - Snapper 42" Rear-Engine Rider, 18 HP, Series 23

Hier finden Sie die Ersatzteilzeichnung für Snapper Reitermäher 421823BVE (84880) - Snapper 42" Rear-Engine Rider, 18 HP, Series 23 MAIN CASE PT.1. Wählen Sie das benötigte Ersatzteil aus der Ersatzteilliste Ihres Snapper Gerätes aus und bestellen Sie einfach online. Viele Snapper Ersatzteile halten wir ständig in unserem Lager für Sie bereit.


Qualitätsmanagement
Informieren Sie uns, wenn Sie einen Fehler gefunden haben.


