Snapper 421622BVE (84707) - 42" Rear-Engine Rider, 16 HP, Series 22 Deck Cover, Belts, Blade Brake Ersatzteile
Deck Cover, Belts, Blade Brake 421622BVE (84707) - Snapper 42" Rear-Engine Rider, 16 HP, Series 22

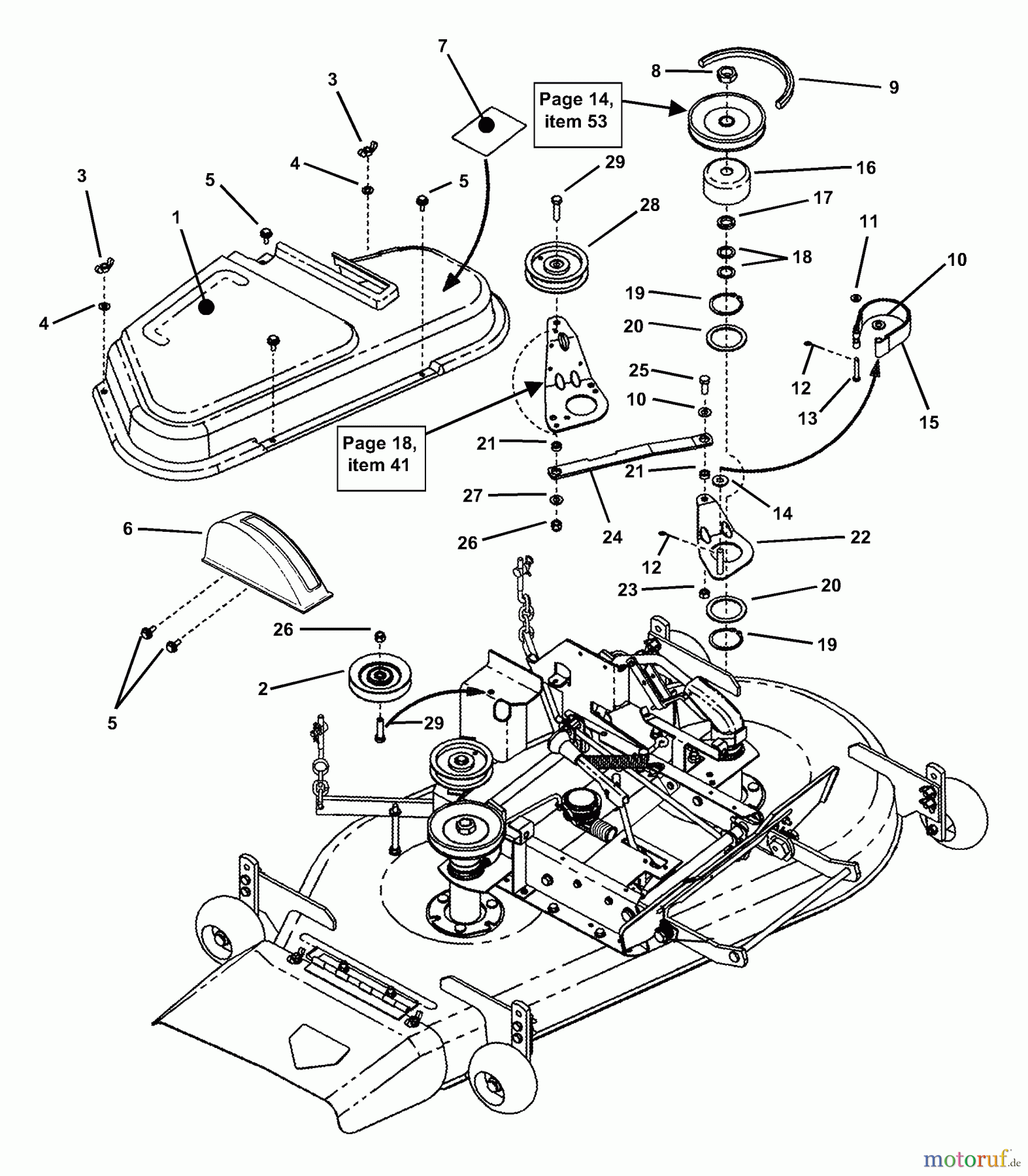
Hier finden Sie die Ersatzteilzeichnung für Snapper Reitermäher 421622BVE (84707) - Snapper 42" Rear-Engine Rider, 16 HP, Series 22 Deck Cover, Belts, Blade Brake. Wählen Sie das benötigte Ersatzteil aus der Ersatzteilliste Ihres Snapper Gerätes aus und bestellen Sie einfach online. Viele Snapper Ersatzteile halten wir ständig in unserem Lager für Sie bereit.