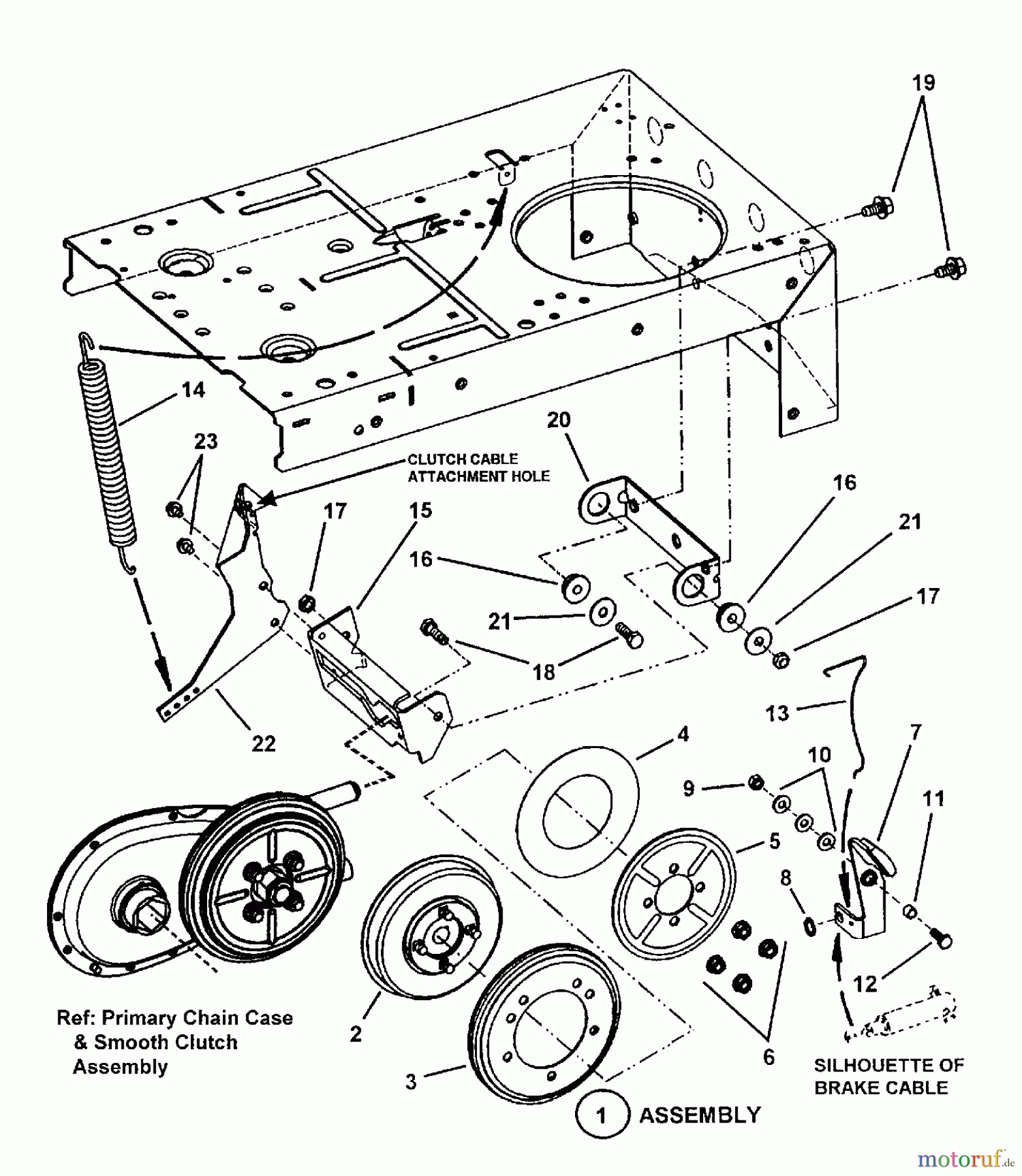
Snapper 421620BVE - 42" Rear-Engine Rider, 16 HP, Series 20 Smooth Clutch Assembly Ersatzteile
Smooth Clutch Assembly 421620BVE - Snapper 42" Rear-Engine Rider, 16 HP, Series 20

Hier finden Sie die Ersatzteilzeichnung für Snapper Reitermäher 421620BVE - Snapper 42" Rear-Engine Rider, 16 HP, Series 20 Smooth Clutch Assembly. Wählen Sie das benötigte Ersatzteil aus der Ersatzteilliste Ihres Snapper Gerätes aus und bestellen Sie einfach online. Viele Snapper Ersatzteile halten wir ständig in unserem Lager für Sie bereit.






