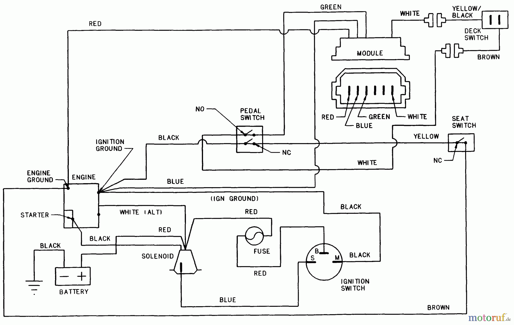
Snapper 421615TVE - 42" Rear-Engine Rider, Series 15 Wiring Schematic For 9, 10, 12 & 16HP Briggs Ersatzteile
Wiring Schematic For 9, 10, 12 & 16HP Briggs 421615TVE - Snapper 42" Rear-Engine Rider, Series 15

Hier finden Sie die Ersatzteilzeichnung für Snapper Reitermäher 421615TVE - Snapper 42" Rear-Engine Rider, Series 15 Wiring Schematic For 9, 10, 12 & 16HP Briggs. Wählen Sie das benötigte Ersatzteil aus der Ersatzteilliste Ihres Snapper Gerätes aus und bestellen Sie einfach online. Viele Snapper Ersatzteile halten wir ständig in unserem Lager für Sie bereit.


Qualitätsmanagement
Informieren Sie uns, wenn Sie einen Fehler gefunden haben.

