Snapper 381451HBVE (84393) - 38" Rear-Engine Rider, 14 HP, Hydro Drive, Series 1 Hydro Drive & Rear Wheel Assemblies Ersatzteile
Hydro Drive & Rear Wheel Assemblies 381451HBVE (84393) - Snapper 38" Rear-Engine Rider, 14 HP, Hydro Drive, Series 1

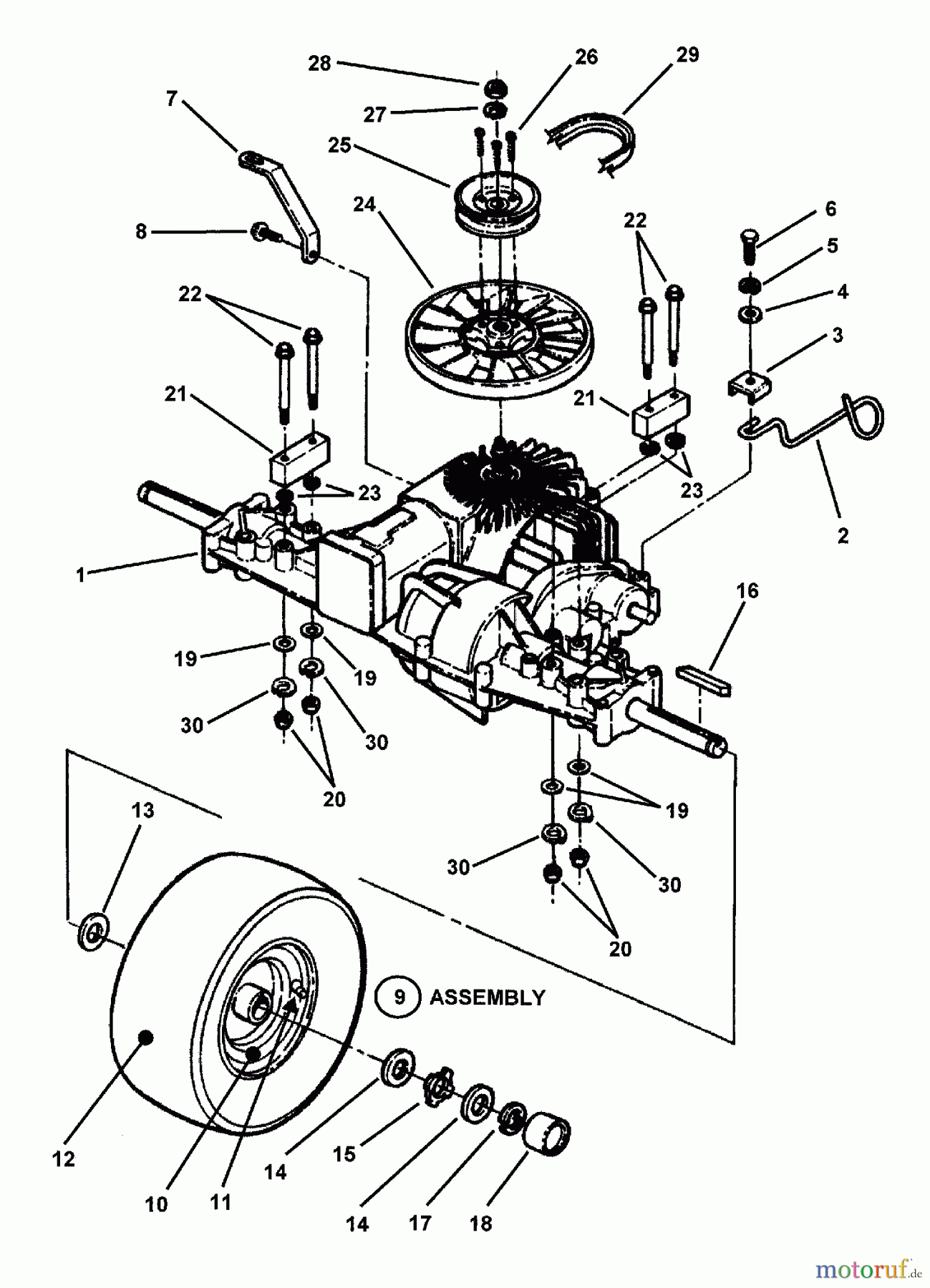
Hier finden Sie die Ersatzteilzeichnung für Snapper Reitermäher 381451HBVE (84393) - Snapper 38" Rear-Engine Rider, 14 HP, Hydro Drive, Series 1 Hydro Drive & Rear Wheel Assemblies. Wählen Sie das benötigte Ersatzteil aus der Ersatzteilliste Ihres Snapper Gerätes aus und bestellen Sie einfach online. Viele Snapper Ersatzteile halten wir ständig in unserem Lager für Sie bereit.


Qualitätsmanagement
Informieren Sie uns, wenn Sie einen Fehler gefunden haben.

