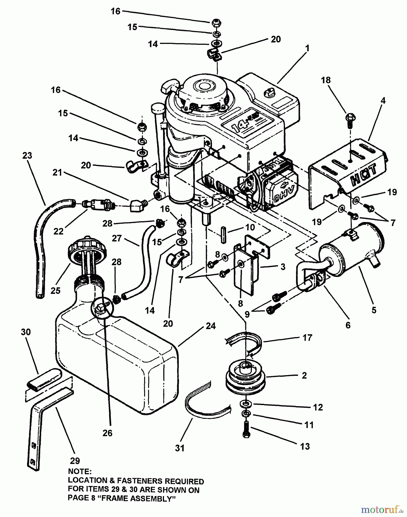
Snapper 381451HBVE (84393) - 38" Rear-Engine Rider, 14 HP, Hydro Drive, Series 1 Engine And Fuel Tank Assemblies Ersatzteile
Engine And Fuel Tank Assemblies 381451HBVE (84393) - Snapper 38" Rear-Engine Rider, 14 HP, Hydro Drive, Series 1

Hier finden Sie die Ersatzteilzeichnung für Snapper Reitermäher 381451HBVE (84393) - Snapper 38" Rear-Engine Rider, 14 HP, Hydro Drive, Series 1 Engine And Fuel Tank Assemblies. Wählen Sie das benötigte Ersatzteil aus der Ersatzteilliste Ihres Snapper Gerätes aus und bestellen Sie einfach online. Viele Snapper Ersatzteile halten wir ständig in unserem Lager für Sie bereit.



