Snapper 331520KVE - 33" Rear-Engine Rider, 15 HP, Series 20 Electrical Systems (For 14 & 15 HP Kohler) (Part 1) Ersatzteile
Electrical Systems (For 14 & 15 HP Kohler) (Part 1) 331520KVE - Snapper 33" Rear-Engine Rider, 15 HP, Series 20

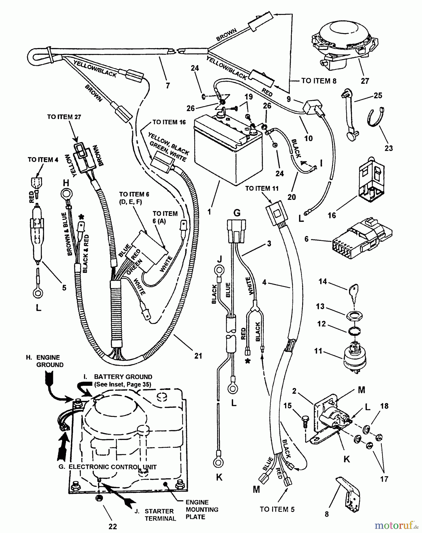
Hier finden Sie die Ersatzteilzeichnung für Snapper Reitermäher 331520KVE - Snapper 33" Rear-Engine Rider, 15 HP, Series 20 Electrical Systems (For 14 & 15 HP Kohler) (Part 1). Wählen Sie das benötigte Ersatzteil aus der Ersatzteilliste Ihres Snapper Gerätes aus und bestellen Sie einfach online. Viele Snapper Ersatzteile halten wir ständig in unserem Lager für Sie bereit.



