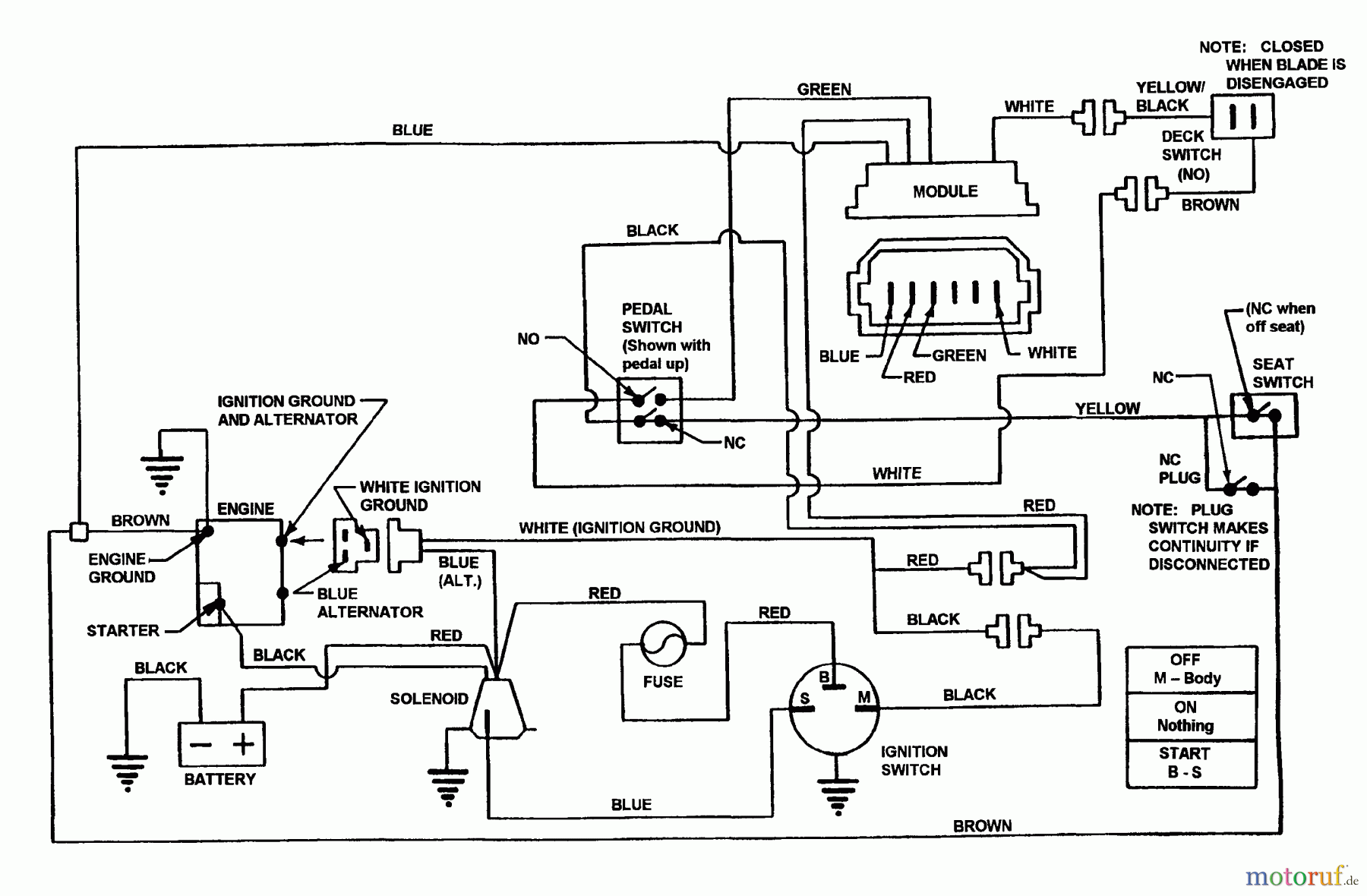
Snapper 331518KVE (84263) - 33" Rear-Engine Rider, 15 HP, Series 18 Wiring Schematic for 14 & 15 HP (Kohler Engines) Ersatzteile
Wiring Schematic for 14 & 15 HP (Kohler Engines) 331518KVE (84263) - Snapper 33" Rear-Engine Rider, 15 HP, Series 18

Hier finden Sie die Ersatzteilzeichnung für Snapper Reitermäher 331518KVE (84263) - Snapper 33" Rear-Engine Rider, 15 HP, Series 18 Wiring Schematic for 14 & 15 HP (Kohler Engines). Wählen Sie das benötigte Ersatzteil aus der Ersatzteilliste Ihres Snapper Gerätes aus und bestellen Sie einfach online. Viele Snapper Ersatzteile halten wir ständig in unserem Lager für Sie bereit.


Qualitätsmanagement
Informieren Sie uns, wenn Sie einen Fehler gefunden haben.

