Snapper 331416KVE - 33" Rear-Engine Rider, 14 HP, Series 16 Electrical Systems (For 14 & 15 HP Kohler) Ersatzteile
Electrical Systems (For 14 & 15 HP Kohler) 331416KVE - Snapper 33" Rear-Engine Rider, 14 HP, Series 16

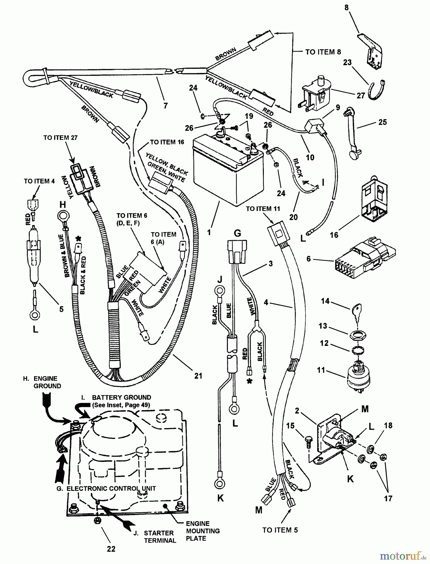
Hier finden Sie die Ersatzteilzeichnung für Snapper Reitermäher 331416KVE - Snapper 33" Rear-Engine Rider, 14 HP, Series 16 Electrical Systems (For 14 & 15 HP Kohler). Wählen Sie das benötigte Ersatzteil aus der Ersatzteilliste Ihres Snapper Gerätes aus und bestellen Sie einfach online. Viele Snapper Ersatzteile halten wir ständig in unserem Lager für Sie bereit.


Qualitätsmanagement
Informieren Sie uns, wenn Sie einen Fehler gefunden haben.


