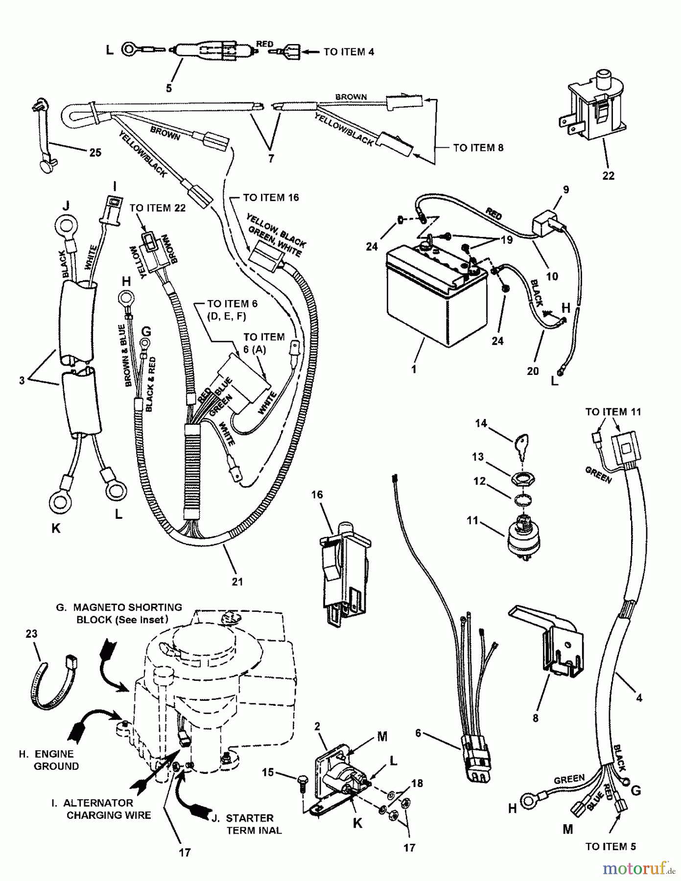
Snapper 3012523BVE (7800105) - 30" Rear-Engine Rider, 12.5 HP, Series 23 Electrical System (10, 11 & 12.5HP Briggs) Ersatzteile
Electrical System (10, 11 & 12.5HP Briggs) 3012523BVE (7800105) - Snapper 30" Rear-Engine Rider, 12.5 HP, Series 23

Hier finden Sie die Ersatzteilzeichnung für Snapper Reitermäher 3012523BVE (7800105) - Snapper 30" Rear-Engine Rider, 12.5 HP, Series 23 Electrical System (10, 11 & 12.5HP Briggs). Wählen Sie das benötigte Ersatzteil aus der Ersatzteilliste Ihres Snapper Gerätes aus und bestellen Sie einfach online. Viele Snapper Ersatzteile halten wir ständig in unserem Lager für Sie bereit.


Qualitätsmanagement
Informieren Sie uns, wenn Sie einen Fehler gefunden haben.


