Snapper 281320BE - 28" Rear-Engine Rider, 13 HP, Series 20 Rails, Lift Arms, Cam Lift Ersatzteile
Rails, Lift Arms, Cam Lift 281320BE - Snapper 28" Rear-Engine Rider, 13 HP, Series 20

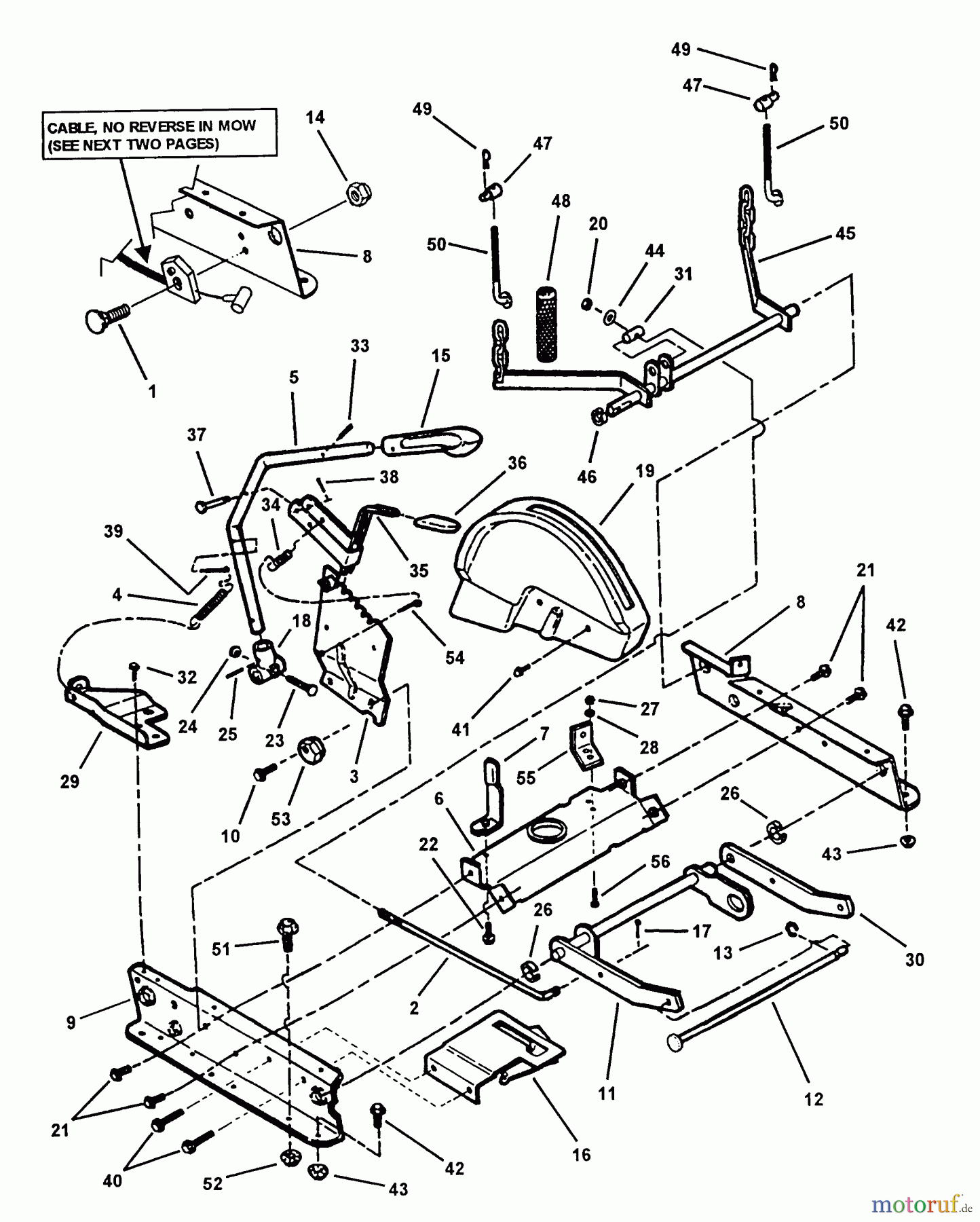
Hier finden Sie die Ersatzteilzeichnung für Snapper Reitermäher 281320BE - Snapper 28" Rear-Engine Rider, 13 HP, Series 20 Rails, Lift Arms, Cam Lift. Wählen Sie das benötigte Ersatzteil aus der Ersatzteilliste Ihres Snapper Gerätes aus und bestellen Sie einfach online. Viele Snapper Ersatzteile halten wir ständig in unserem Lager für Sie bereit.


Qualitätsmanagement
Informieren Sie uns, wenn Sie einen Fehler gefunden haben.


