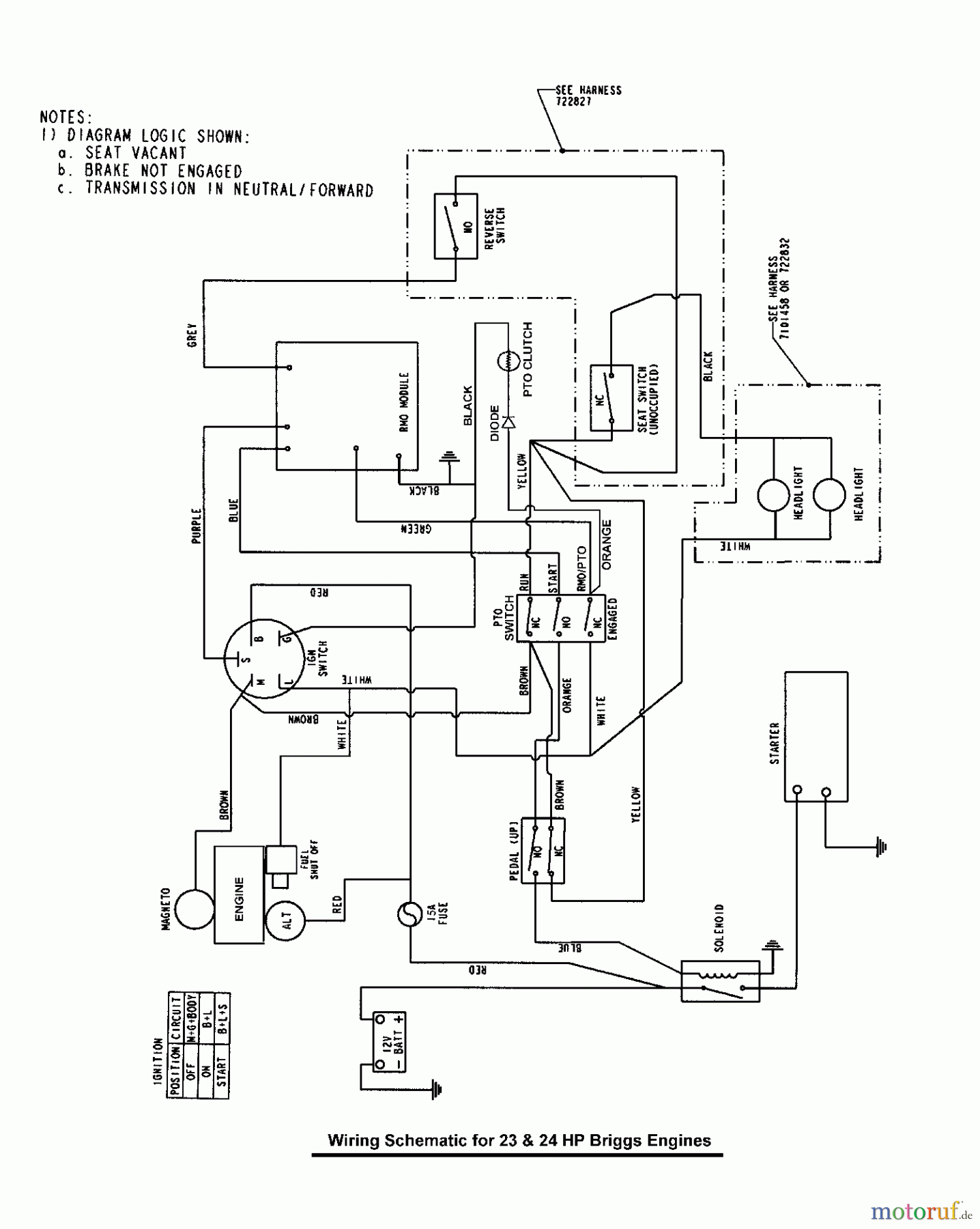
Snapper SLT24520FC (7800318) - 52" Lawn Tractor, 24HP, LT100 Series Wiring Schematic (7101446) Ersatzteile
Wiring Schematic (7101446) SLT24520FC (7800318) - Snapper 52" Lawn Tractor, 24HP, LT100 Series

Hier finden Sie die Ersatzteilzeichnung für Snapper Rasen- und Gartentraktoren SLT24520FC (7800318) - Snapper 52" Lawn Tractor, 24HP, LT100 Series Wiring Schematic (7101446). Wählen Sie das benötigte Ersatzteil aus der Ersatzteilliste Ihres Snapper Gerätes aus und bestellen Sie einfach online. Viele Snapper Ersatzteile halten wir ständig in unserem Lager für Sie bereit.



