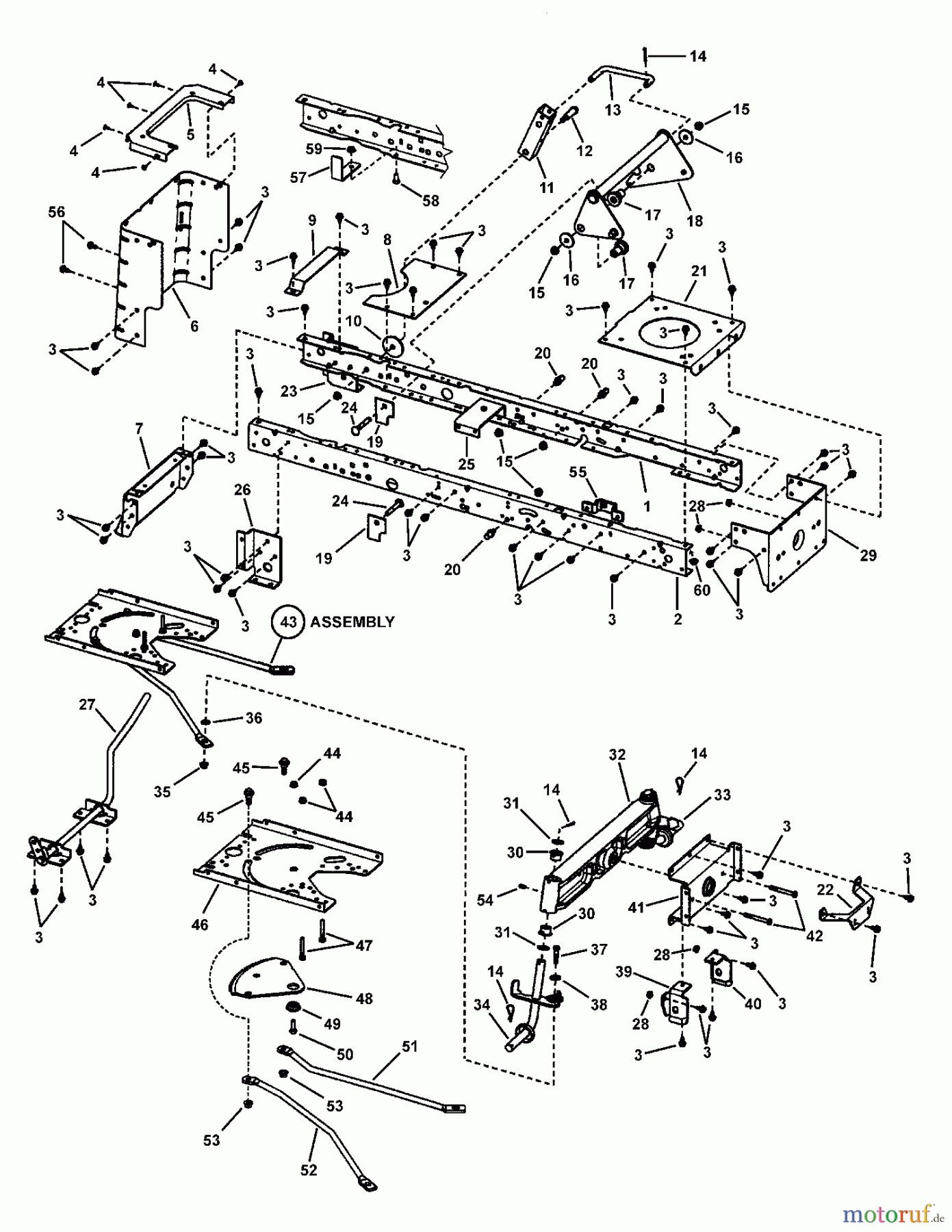
Snapper SLT23460FC (7800316) - 46" Lawn Tractor, 23HP, LT100 Series Main Frame Group Ersatzteile
Main Frame Group SLT23460FC (7800316) - Snapper 46" Lawn Tractor, 23HP, LT100 Series

Hier finden Sie die Ersatzteilzeichnung für Snapper Rasen- und Gartentraktoren SLT23460FC (7800316) - Snapper 46" Lawn Tractor, 23HP, LT100 Series Main Frame Group. Wählen Sie das benötigte Ersatzteil aus der Ersatzteilliste Ihres Snapper Gerätes aus und bestellen Sie einfach online. Viele Snapper Ersatzteile halten wir ständig in unserem Lager für Sie bereit.


Qualitätsmanagement
Informieren Sie uns, wenn Sie einen Fehler gefunden haben.



