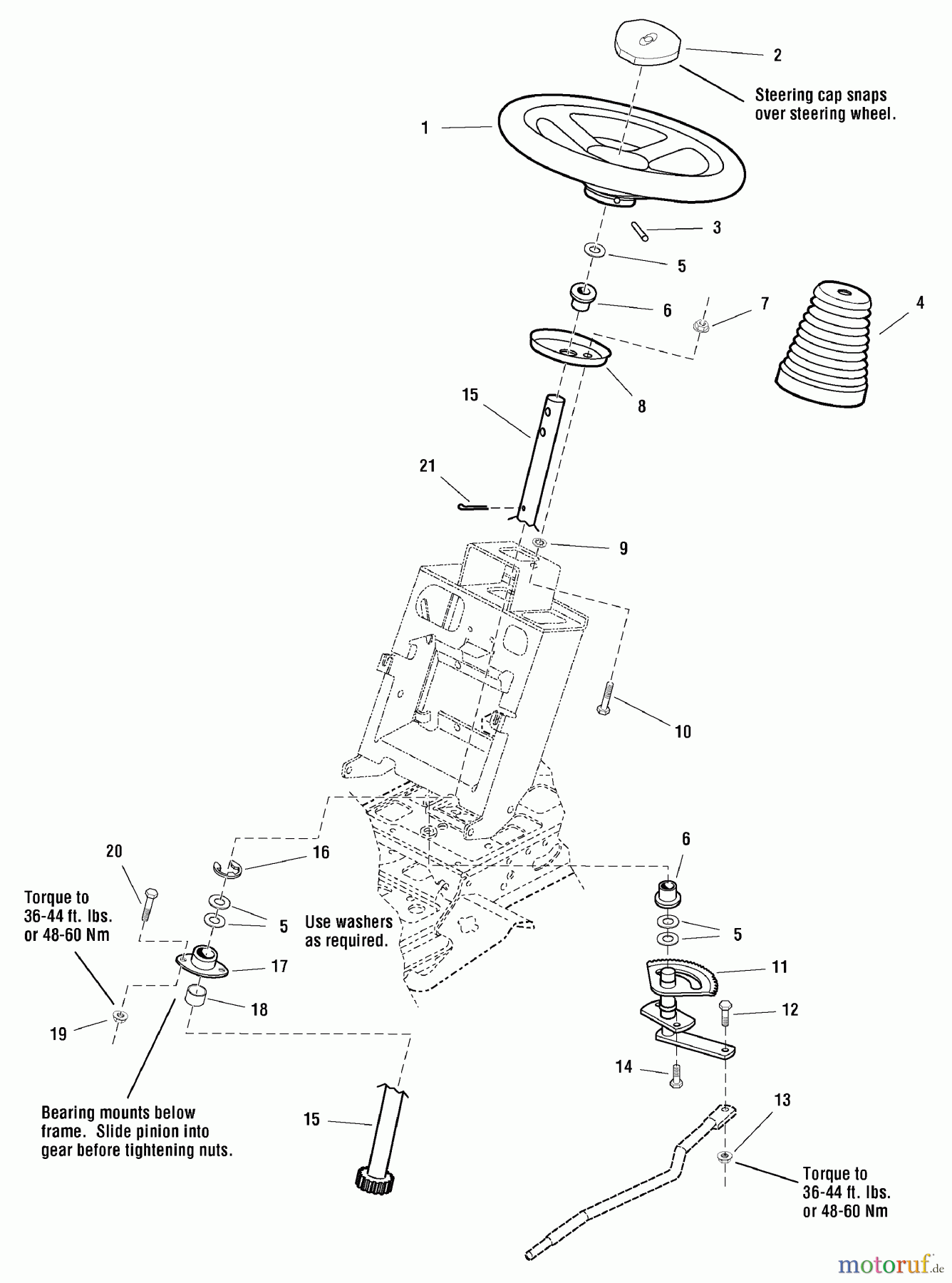
Snapper LT2044 (2690761) - 44" Lawn Tractor, 20 HP, Hydro Drive, ACS, LT300 Series Steering Group - Manual Steering Ersatzteile
Steering Group - Manual Steering LT2044 (2690761) - Snapper 44" Lawn Tractor, 20 HP, Hydro Drive, ACS, LT300 Series

Hier finden Sie die Ersatzteilzeichnung für Snapper Rasen- und Gartentraktoren LT2044 (2690761) - Snapper 44" Lawn Tractor, 20 HP, Hydro Drive, ACS, LT300 Series Steering Group - Manual Steering. Wählen Sie das benötigte Ersatzteil aus der Ersatzteilliste Ihres Snapper Gerätes aus und bestellen Sie einfach online. Viele Snapper Ersatzteile halten wir ständig in unserem Lager für Sie bereit.


Qualitätsmanagement
Informieren Sie uns, wenn Sie einen Fehler gefunden haben.

