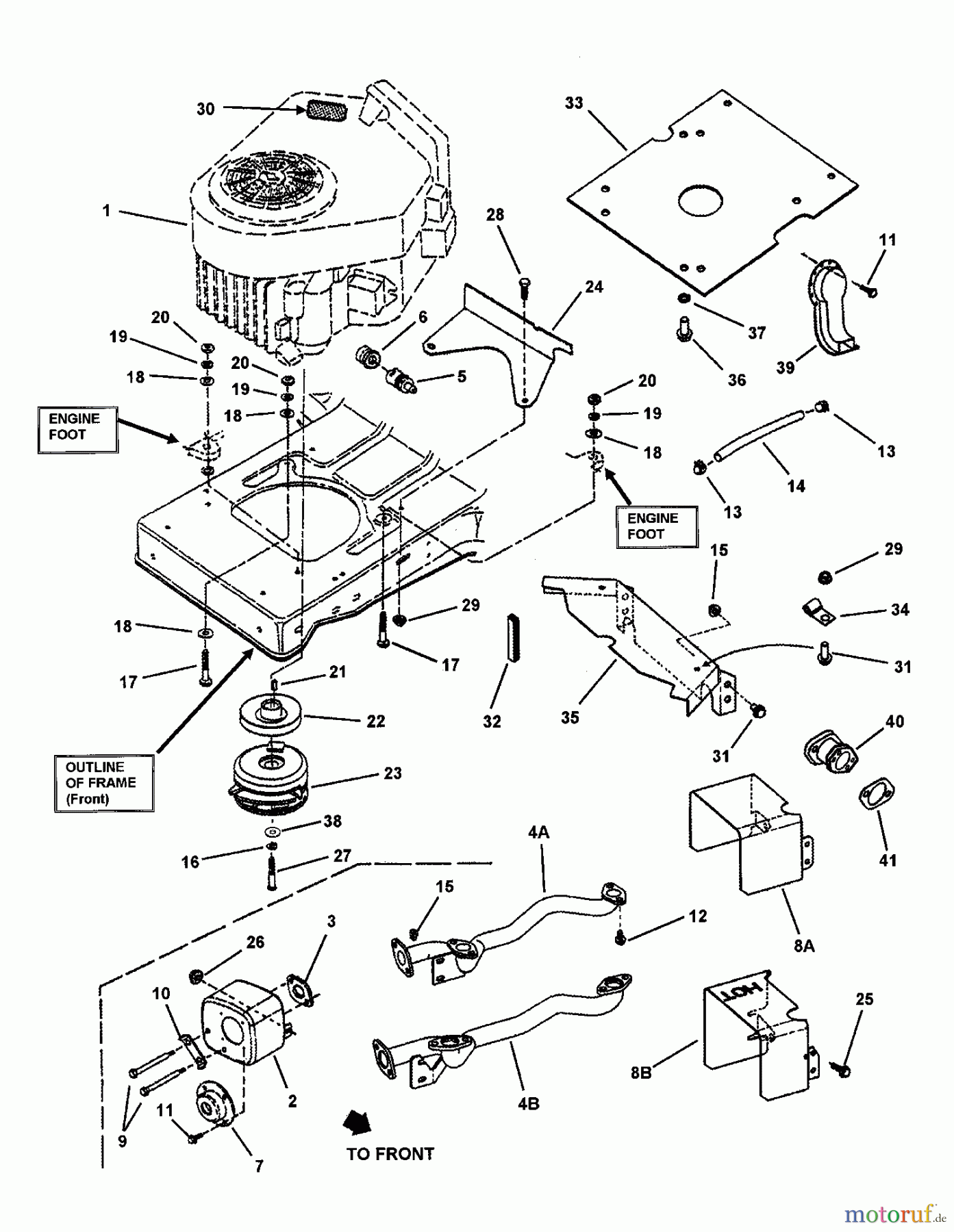
Snapper LT180H42IBV (85692) - 42" Lawn Tractor, 18 HP, Hydro Drive, Series I ENGINE COMPONENTS, PT.3 (Model LT18H Models) Ersatzteile
ENGINE COMPONENTS, PT.3 (Model LT18H Models) LT180H42IBV (85692) - Snapper 42" Lawn Tractor, 18 HP, Hydro Drive, Series I

Hier finden Sie die Ersatzteilzeichnung für Snapper Rasen- und Gartentraktoren LT180H42IBV (85692) - Snapper 42" Lawn Tractor, 18 HP, Hydro Drive, Series I ENGINE COMPONENTS, PT.3 (Model LT18H Models). Wählen Sie das benötigte Ersatzteil aus der Ersatzteilliste Ihres Snapper Gerätes aus und bestellen Sie einfach online. Viele Snapper Ersatzteile halten wir ständig in unserem Lager für Sie bereit.


Qualitätsmanagement
Informieren Sie uns, wenn Sie einen Fehler gefunden haben.


