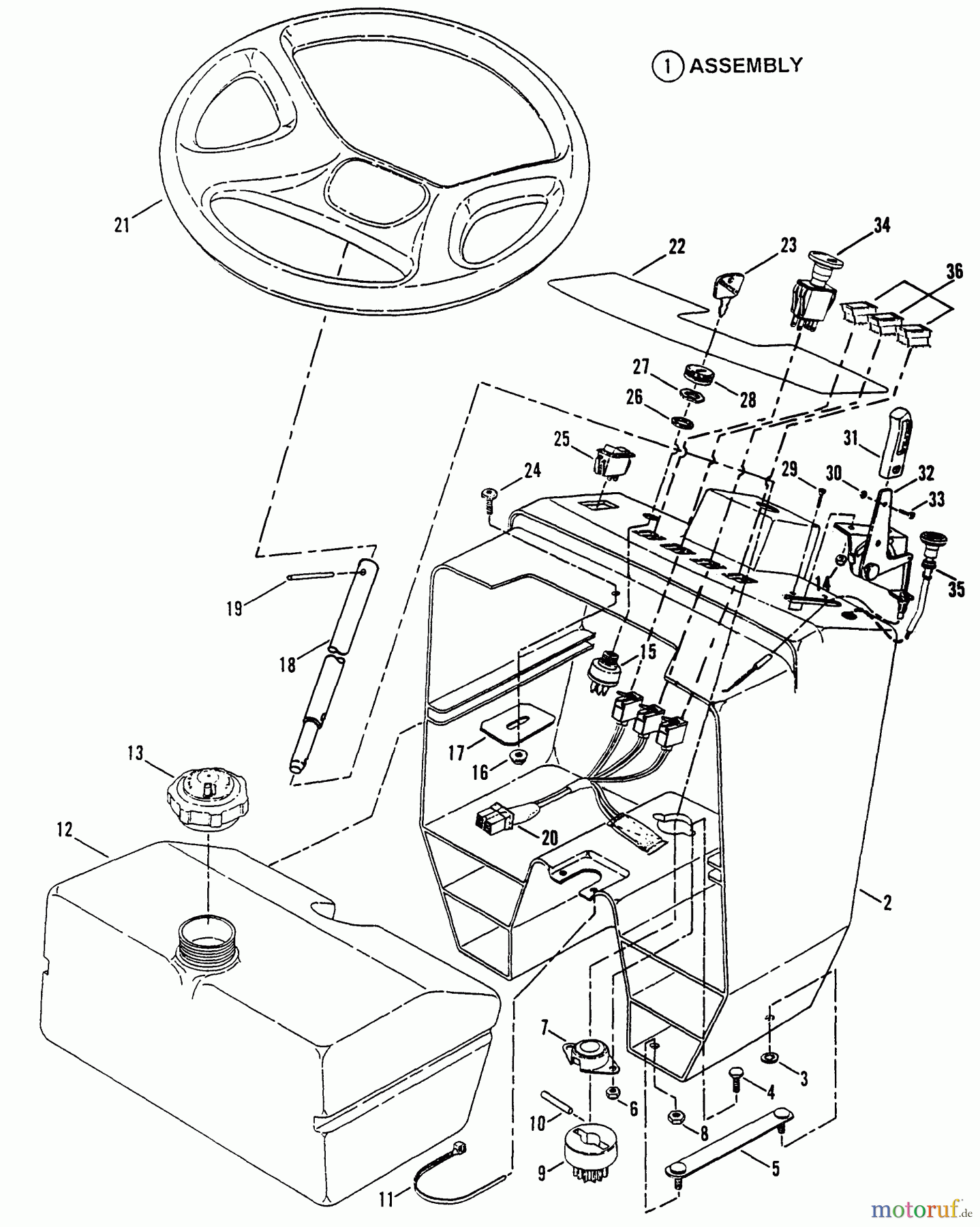
Snapper LT160H42CBV2 - 42" Lawn Tractor, 16 HP, Hydro Drive, Series C Steering Wheel, Console, Fuel Tank Ersatzteile
Steering Wheel, Console, Fuel Tank LT160H42CBV2 - Snapper 42" Lawn Tractor, 16 HP, Hydro Drive, Series C

Hier finden Sie die Ersatzteilzeichnung für Snapper Rasen- und Gartentraktoren LT160H42CBV2 - Snapper 42" Lawn Tractor, 16 HP, Hydro Drive, Series C Steering Wheel, Console, Fuel Tank. Wählen Sie das benötigte Ersatzteil aus der Ersatzteilliste Ihres Snapper Gerätes aus und bestellen Sie einfach online. Viele Snapper Ersatzteile halten wir ständig in unserem Lager für Sie bereit.


Qualitätsmanagement
Informieren Sie uns, wenn Sie einen Fehler gefunden haben.

