Snapper LT14H411KV (80086) - 41" Lawn Tractor, 14 HP, Hydro Drive, 1991, Series 1 Electrical System Ersatzteile
Electrical System LT14H411KV (80086) - Snapper 41" Lawn Tractor, 14 HP, Hydro Drive, 1991, Series 1

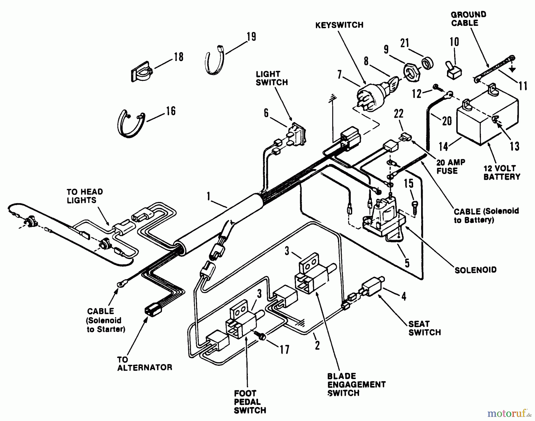
Hier finden Sie die Ersatzteilzeichnung für Snapper Rasen- und Gartentraktoren LT14H411KV (80086) - Snapper 41" Lawn Tractor, 14 HP, Hydro Drive, 1991, Series 1 Electrical System. Wählen Sie das benötigte Ersatzteil aus der Ersatzteilliste Ihres Snapper Gerätes aus und bestellen Sie einfach online. Viele Snapper Ersatzteile halten wir ständig in unserem Lager für Sie bereit.



