Snapper LT145H33GBV (84591) - 33" Lawn Tractor, 14.5 HP, Hydro Drive, Series G Transmission Group (Hydro Drive) Ersatzteile
Transmission Group (Hydro Drive) LT145H33GBV (84591) - Snapper 33" Lawn Tractor, 14.5 HP, Hydro Drive, Series G

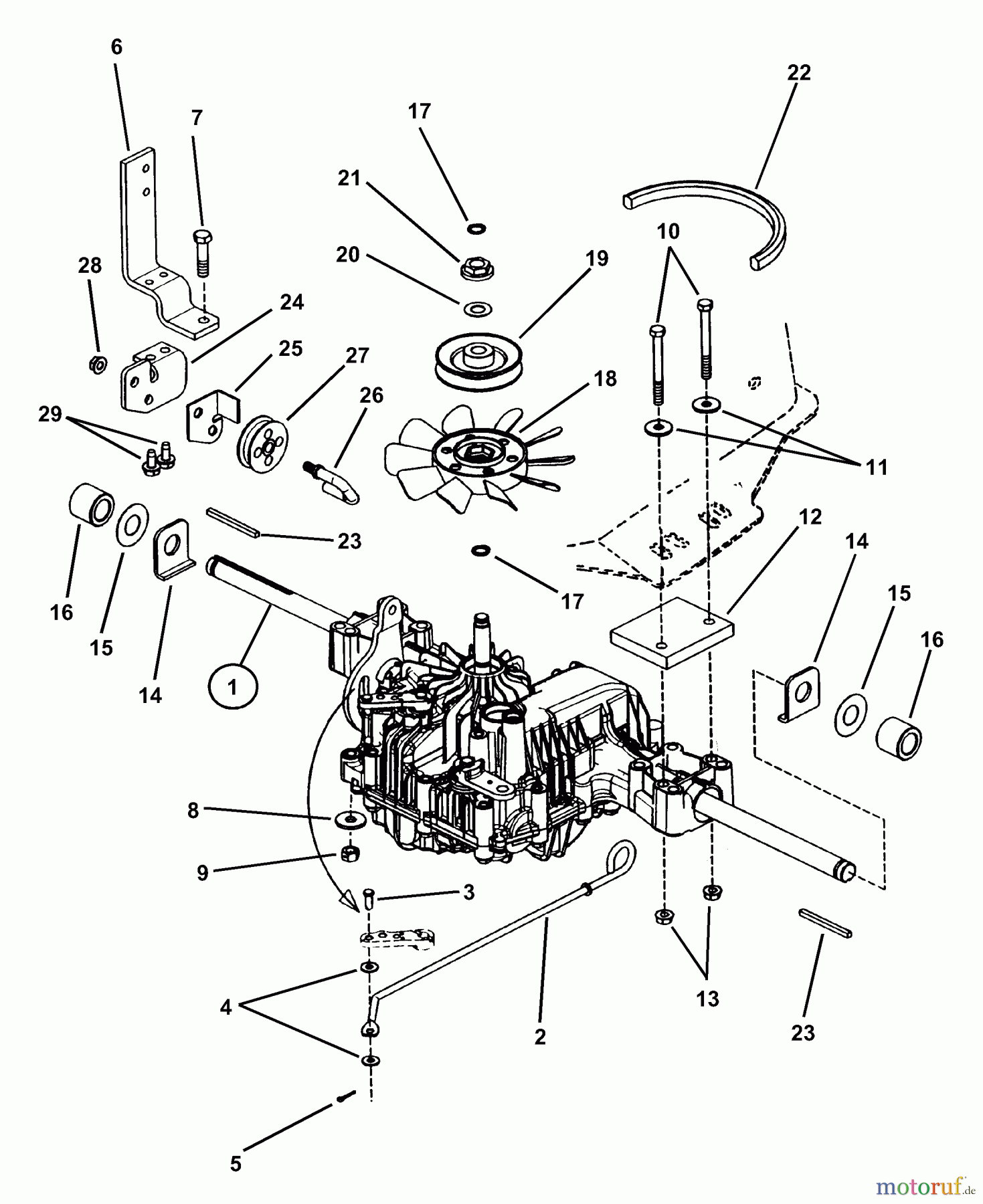
Hier finden Sie die Ersatzteilzeichnung für Snapper Rasen- und Gartentraktoren LT145H33GBV (84591) - Snapper 33" Lawn Tractor, 14.5 HP, Hydro Drive, Series G Transmission Group (Hydro Drive). Wählen Sie das benötigte Ersatzteil aus der Ersatzteilliste Ihres Snapper Gerätes aus und bestellen Sie einfach online. Viele Snapper Ersatzteile halten wir ständig in unserem Lager für Sie bereit.




