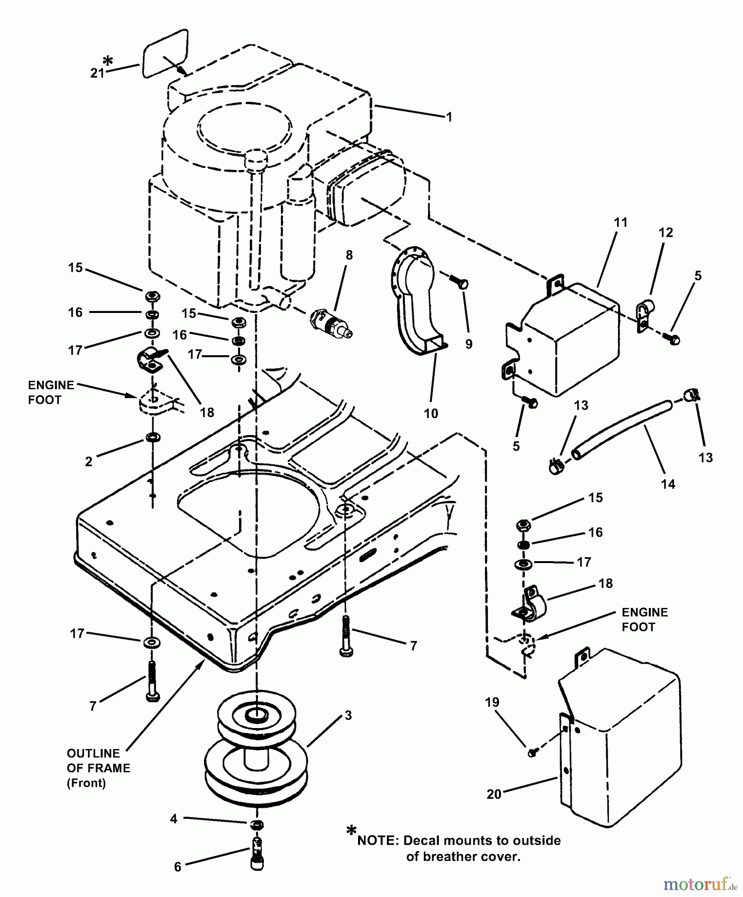
Snapper LT145H33GBV (84591) - 33" Lawn Tractor, 14.5 HP, Hydro Drive, Series G Engine Components Ersatzteile
Engine Components LT145H33GBV (84591) - Snapper 33" Lawn Tractor, 14.5 HP, Hydro Drive, Series G

Hier finden Sie die Ersatzteilzeichnung für Snapper Rasen- und Gartentraktoren LT145H33GBV (84591) - Snapper 33" Lawn Tractor, 14.5 HP, Hydro Drive, Series G Engine Components. Wählen Sie das benötigte Ersatzteil aus der Ersatzteilliste Ihres Snapper Gerätes aus und bestellen Sie einfach online. Viele Snapper Ersatzteile halten wir ständig in unserem Lager für Sie bereit.


Qualitätsmanagement
Informieren Sie uns, wenn Sie einen Fehler gefunden haben.

