Snapper LT12D330B - 33" Lawn Tractor, 12 HP, Disc Drive, Series 0 Cutting Deck, Belts, Brakes Ersatzteile
Cutting Deck, Belts, Brakes LT12D330B - Snapper 33" Lawn Tractor, 12 HP, Disc Drive, Series 0

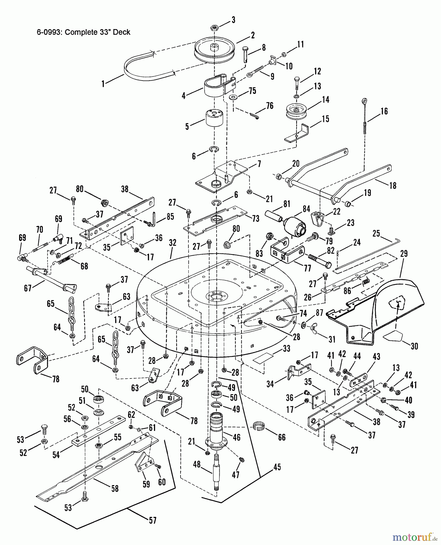
Hier finden Sie die Ersatzteilzeichnung für Snapper Rasen- und Gartentraktoren LT12D330B - Snapper 33" Lawn Tractor, 12 HP, Disc Drive, Series 0 Cutting Deck, Belts, Brakes. Wählen Sie das benötigte Ersatzteil aus der Ersatzteilliste Ihres Snapper Gerätes aus und bestellen Sie einfach online. Viele Snapper Ersatzteile halten wir ständig in unserem Lager für Sie bereit.


Qualitätsmanagement
Informieren Sie uns, wenn Sie einen Fehler gefunden haben.




