Snapper LT125G411KVE - 41" Lawn Tractor, 12.5 HP, Gear Drive, Series 1 Transmission Group Ersatzteile
Transmission Group LT125G411KVE - Snapper 41" Lawn Tractor, 12.5 HP, Gear Drive, Series 1

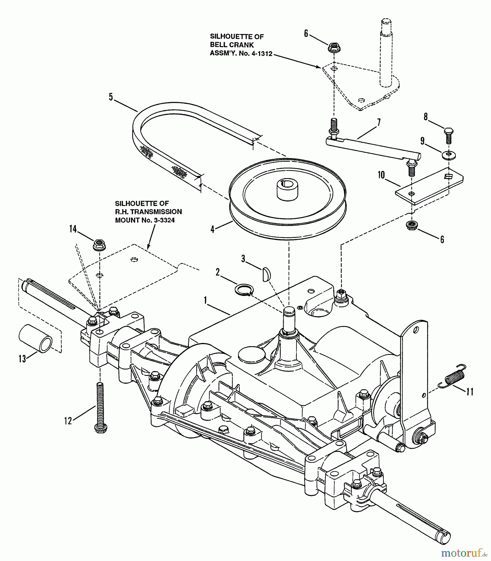
Hier finden Sie die Ersatzteilzeichnung für Snapper Rasen- und Gartentraktoren LT125G411KVE - Snapper 41" Lawn Tractor, 12.5 HP, Gear Drive, Series 1 Transmission Group. Wählen Sie das benötigte Ersatzteil aus der Ersatzteilliste Ihres Snapper Gerätes aus und bestellen Sie einfach online. Viele Snapper Ersatzteile halten wir ständig in unserem Lager für Sie bereit.


Qualitätsmanagement
Informieren Sie uns, wenn Sie einen Fehler gefunden haben.


