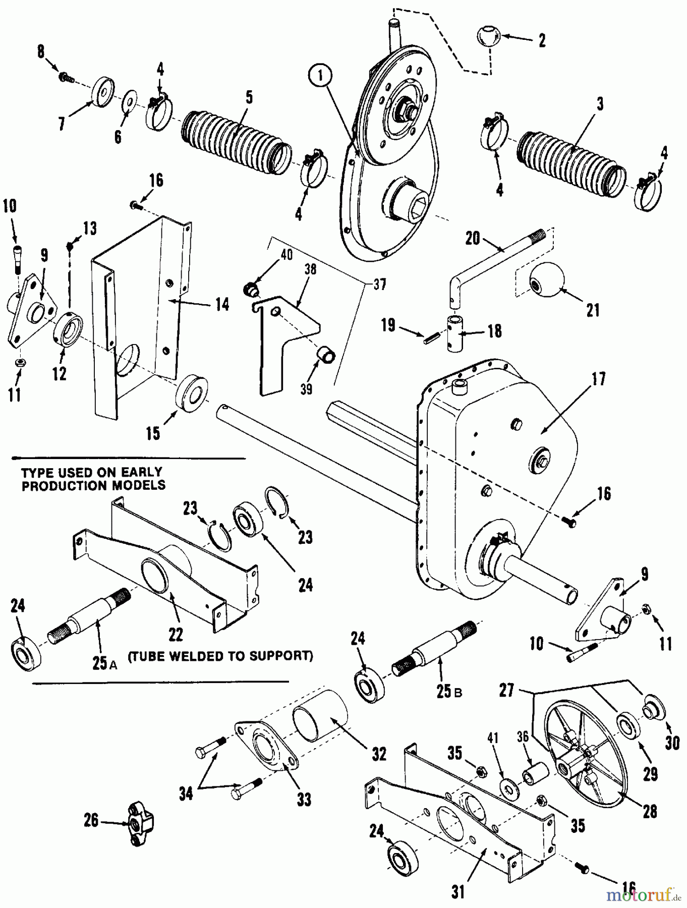
Snapper LT11000 - 11 HP Lawn Tractor, Disc Drive, Series 0 Drive Disc, Rear Axle Components Ersatzteile
Drive Disc, Rear Axle Components LT11000 - Snapper 11 HP Lawn Tractor, Disc Drive, Series 0

Hier finden Sie die Ersatzteilzeichnung für Snapper Rasen- und Gartentraktoren LT11000 - Snapper 11 HP Lawn Tractor, Disc Drive, Series 0 Drive Disc, Rear Axle Components. Wählen Sie das benötigte Ersatzteil aus der Ersatzteilliste Ihres Snapper Gerätes aus und bestellen Sie einfach online. Viele Snapper Ersatzteile halten wir ständig in unserem Lager für Sie bereit.


Qualitätsmanagement
Informieren Sie uns, wenn Sie einen Fehler gefunden haben.


