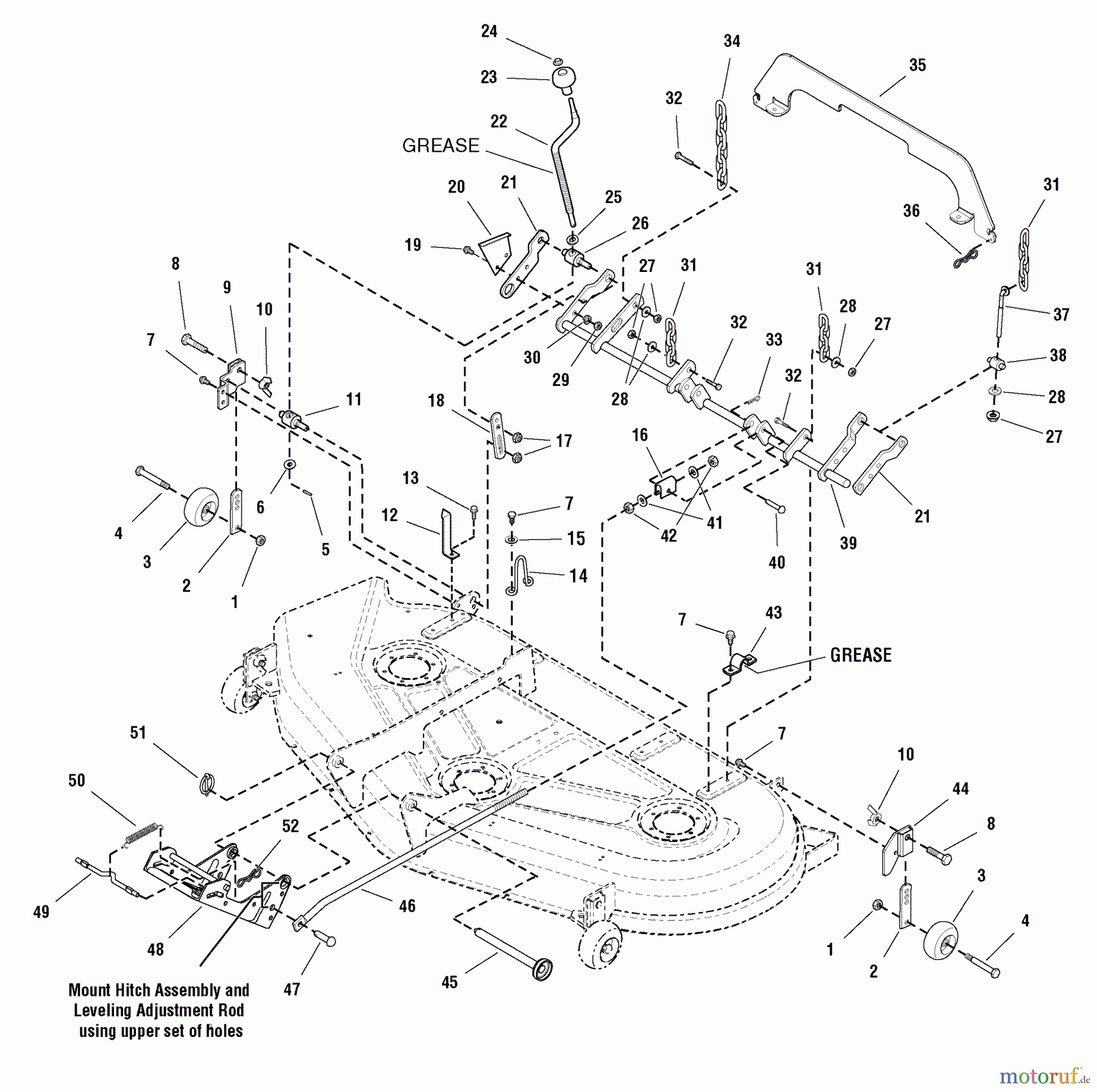
Snapper GT25540 (2690742) - 54" Garden Tractor, 25HP, 2WD, GT500 Series 54" Mower Deck - Height Adjustment & Roller Bar Group Ersatzteile
54" Mower Deck - Height Adjustment & Roller Bar Group GT25540 (2690742) - Snapper 54" Garden Tractor, 25HP, 2WD, GT500 Series

Hier finden Sie die Ersatzteilzeichnung für Snapper Rasen- und Gartentraktoren GT25540 (2690742) - Snapper 54" Garden Tractor, 25HP, 2WD, GT500 Series 54" Mower Deck - Height Adjustment & Roller Bar Group. Wählen Sie das benötigte Ersatzteil aus der Ersatzteilliste Ihres Snapper Gerätes aus und bestellen Sie einfach online. Viele Snapper Ersatzteile halten wir ständig in unserem Lager für Sie bereit.


Qualitätsmanagement
Informieren Sie uns, wenn Sie einen Fehler gefunden haben.

